NSK高速主轴马达EM-3060使用说明
NSK高速主轴马达EM-3060使用说明
彩博888此次,承蒙您购买短冲程无刷马达 EM-3060,深表感谢。使用本产品时必须配备E3000“控制器”、“主轴”以及“空气管道套件 (AL-0201)”。使用本产品之前,为了安全起见,请仔细阅读本说明书和E3000“控制器”、“主轴”以及“空气管道套件 (AL-0201)”。
警 告
①无刷马达并非手持工具。请安装在手持的工作机器及专用机器之后再使用。
②运转中请勿用手碰触运转体,否则非常危险。
③为保障安全,运行时请使用保护罩、防护眼镜和防尘口罩。
④请勿用湿手插拔电源插头或碰触马达线。否则有触电的危险。
⑤确认安全之前,切勿使用或拆卸无刷马达。
1)为了防止各种损害事故,使用无刷马达时,必须确认设置机器的安全状况后再使用。
2)拆卸无刷马达时,应先确认设置机器的安全状况,随后切断作为动力源的电源或供气,并排出该当设备系统内的压缩空气后再使用。
⑥安装无刷马达时,确认支架连接在机器的地线上。否则,会造成故障或漏电时触电的原因。
注 意
①无刷马达坠落或发生碰撞。运转不良、发热以及鞘管的变形等将会导致故障。
⑥请选择适合作业的恰当的产品和工具。此外,请在适当的加工条件下进行作业。
⑦加工中的切削液会粘在刀尖上,请尽量避免沾在无刷马达主体上。
⑧如果在作业时发生旋转有波动或异常振动时,请立即停止作业进行检查。
?如果在长期未使用状态下重新使用本产品时,先要进行从低速逐渐加快转速约15~20分钟达到最高转速的跑合运转。并确认没有异常声和异常发热后再进行使用。
?请勿对无刷马达进行分解或改造。否则将无法保以后的性能。此外,敝公司也可能拒绝修理。
?无刷马达在量产加工机上使用时,为了防止发生意外故障,必须预备好备用无刷马达。
特 征
①铠装为将不锈钢材料(SUS)经过高硬度热处理和研磨加工成的外径φ30mm的无刷马达。
②由于采用高速无刷马达方式,无需进行繁琐的更换刷子作业。
③采用只需少量(约30?/分钟)气体的空气冷却方式。防止马达发热,能够长时间使用。
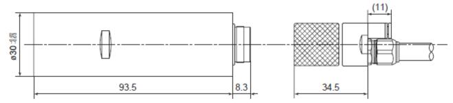
外观图:

更多EM-3060高速主轴使用问题,请您致电春亨工具营业顾问。sxjnp.com
同类文章排行
- 6轴机器人+msiy62浮动主轴,铸钢孔口去毛刺
- 齿轮端面去毛刺,用xebec蓝色外表面刷
- 这四种去除刀痕的方法,总有一种适合你!
- 不锈钢钻2*16mm孔,2秒完成一个孔,怎么做到的?
- 斯大走心机钻0.6*13mm小孔,怎样避免断刀?
- nsk高频铣出现E6报警怎么解决?
- 斯大走心机SB-20R加装高频铣,铣骨钉梅花转速多少?
- 孔雀peacock厚度计常用型号有哪几款?
- NAKANISHI高频铣ispeed3控制器EL报警怎么解决?
- 高频铣上的线缆被固定后还有其他方式来拆卸主轴吗?
最新资讯文章
您的浏览历史




