彩博888

欢迎来到深圳市春亨工具仪器有限公司

进口加工测量工具综合供应商

16年经验总代理 | 品牌正规授权 | 专业售后支持

全国服务热线:

13612997620
13923746165

春亨产品中心

按产品特性分类
水平仪 偏心仪 角度计 直角尺 同心度仪 高速主轴 内外测卡规 打磨机 钻石膏 各种量表 磨刀石 研磨油石 切削刀具 研磨刷 研磨工具 磁性工具 放大镜 内视镜 卡尺 千分尺 圆周尺 扭力工具 针规 间隙规 速度测试 高度尺/计 测量工具 硬度计 段差尺 焊道规 V型座 磁性吸盘 推拉力计 吊重磁盘 工业胶粘剂 研磨抛光 钳类工具 旋具工具 热敏试纸 粘度计 电子称 金属锉刀 复制胶膜 螺帽规 背孔刀 气动主轴 自动换刀主轴 防静电主轴 MSIY电主轴 高精密主轴 大扭矩电主轴 高斯计 直角电主轴 进口百分表 扭力起子 中村扭力扳手 脱磁器 螺纹深度规 主轴增速刀柄 RBZ浮动主轴 中心出水电主轴 气浮主轴 螺纹规
按应用领域分类
工程机械 数控机床 汽车制造 电子/光电 橡胶皮革检测 船舶制造 实验室/研究院 纺织业 精加工 雕刻 珠宝首饰 陶瓷工业 抛光去毛刺 PCB分板机加工 铣削加工 钻孔动力头 医疗加工 走心机高频铣 浮动去毛刺 小径深孔加工
按品牌分类
AAA ASKER B2 BOWERS CITIZEN DMT FUJITOOL FISSO FUJIGEN HONDA GLOI HEINE KANETEC IMADA KANON KAYDIAMOND KROEPLIN MEYER MARUI MITUTOYO NAKANISHI PEACOCK PEAK PHOENIX PI-TAPE RSK RHEINTACHO SK SPI SUN SUPERTECH SWAN UNIVERSAL NOVAPAX XEBEC WIXEY Teclock tohnichi 富士KOSOKU RUBICON KEIBA TAJIMA NIKON Stanley SPI Engeering MARKAL PTC TMC THERMAX RION SHINKO STAO佐藤 TSUBOSAN OSKAR SCHWENK MARK-10 Microset starrett EENPAIX OJIYAS DIGITECH ROECKLE tites swiss Yamato Cherry DAIWA RABIN MSIY NRS PPS NSK

相关资讯

咨询热线:

13612997620

传真:0755-23033513

Q Q:

地址:深圳市宝安49区华创达文化科技产业园D栋507

prevnext

高速主轴HES510-HSK A63

  • 日本NAKANISHI高速主轴HEHES510-HSK A63特别适合钻喷丝板微小孔,是极佳的机床主轴增速器/增速刀柄/增速头,可以大大地提高喷丝板钻孔速度,提高喷丝板表面的光洁度和精密度。
  • 咨询热线:0755-29695109
  • 产品详情

  • 联系我们


    喷丝板钻孔NAKANISHI<a href='/gaosuzhuzhou.htm' class='keys' title='点击查看关于高速主轴的相关信息' target='_blank'>高速主轴</a>彩博888HES510-BT40_副本.jpg


    喷丝板钻孔主轴增速刀柄日本NAKANISHI高速主轴HES510-HSK A63厂家直销



    产品特点



    日本NAKANISHI主轴HES510-HSK A63,HES510系列采用高速无碳刷式马达主轴,可用于ψ2mm以下之小径钻头、小径研磨之高精度切削加工,高转速:50000转/min,不使用机械主轴运转,仅需安装即可实现NC铣床和中心加工机的高速运转;适用于喷丝板模具钻微小孔弄,使用HES系列高速主轴彩博888钻孔光洁度高,不变形。



    产品参数



        主轴型号    转速     主轴精度   输出功率           重量



    HES510-HSK A63





    彩博8885000~50000min-1



         1μm以内



    彩博888      340w



    彩博888   2.7kg


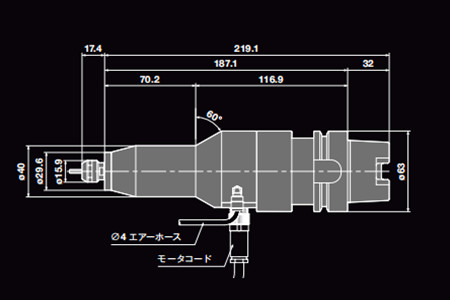
    产品尺寸



    日本NAKANISHI主轴HES510-HSK A63.jpg


    标准配置



    标准配件

    彩博888夹头Φ4.0mm(CHK-4.0)   夹头螺母(K-265)

    扳手(12X14):2pc

    可选配件:

    夹头(CHK系列):Φ0.5~Φ6.35mm

    电机线:长 4m(9248)、6m(9249)、8m(9250)

    彩博888配有Φ4.0mm空气冷却软管


    成套配置图



    熔喷布喷丝板微小孔钻孔主轴增速器标准配置.jpg



    为什么选择春亨工具?




    1、日本原装进口,厂家直销,避免中间商赚差价

    2、质量保证,具有完整的售后服务体系,24小时在线服务。

    3、春亨工具已经成立10年,在业界积累了一定的口碑,多年来一直与知名品牌维持着良好的合作关系。



    CNC增速器

    订购:高速主轴HES510-HSK A63

    联系我们 CONTACT US

    深圳市春亨工具仪器有限公司

    公司地址:深圳市宝安49区华创达文化科技产业园D栋507

    • 13923746165
    • tianguoxiu@prosperoustooling.com.cn

    关注我们QR CODE

    手机扫一扫

    返回顶部