彩博888

欢迎来到深圳市春亨工具仪器有限公司

进口加工测量工具综合供应商

彩博88816年经验总代理 | 品牌正规授权 | 专业售后支持

全国服务热线:

13612997620
13923746165
当前位置:首页 » 技术支持 » NAKANISHI高速主轴如何实现外部通讯?

NAKANISHI高速主轴如何实现外部通讯?

文章出处:深圳市春亨工具仪器有限公司 人气:-发表时间:2018-08-30 08:32:00

NAKANISHI高速主轴如何实现外部通讯?

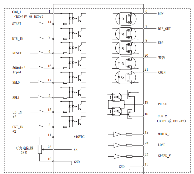
自动化智能时代,无论是PCB分板机还是亚克力切割机以及精密零部件加工,目前都在使用NAKANISHI高速主轴,很多客户会问到,日本NSK高速主轴可以实现外部通讯吗?如何实现人机分离?下面就有NAKANISHI高速主轴彩博888中国服务中心为您介绍.

首先NAKANISHI高速主轴通讯协议是依据I/O控制,从而可以与PLC进行通讯,实现自动化控制。

彩博888一般常用的通讯功能有:启停,正反转,速度调节等功能.可以参考以下PLC线路图,根据自身所需功能进行连接.

000001.png

当您收到NAKANISHI主轴时,如有任何技术请致电NAKANISHI高速主轴中国售服中心0755-29695109

优势供应:NAKANISHI高速主轴,NSK打磨机。



此文关键字:RSK水平仪,高速主轴,浮动主轴,分板机主轴,高频铣,中西打磨机,peacock量表

联系我们 CONTACT US

深圳市春亨工具仪器有限公司

公司地址:深圳市宝安49区华创达文化科技产业园D栋507

  • 13923746165
  • tianguoxiu@prosperoustooling.com.cn

关注我们QR CODE

手机扫一扫

返回顶部