春亨产品中心
- 按产品特性分类
- 水平仪 偏心仪 角度计 直角尺 同心度仪 高速主轴 内外测卡规 打磨机 钻石膏 各种量表 磨刀石 研磨油石 切削刀具 研磨刷 研磨工具 磁性工具 放大镜 内视镜 卡尺 千分尺 圆周尺 扭力工具 针规 间隙规 速度测试 高度尺/计 测量工具 硬度计 段差尺 焊道规 V型座 磁性吸盘 推拉力计 吊重磁盘 工业胶粘剂 研磨抛光 钳类工具 旋具工具 热敏试纸 粘度计 电子称 金属锉刀 复制胶膜 螺帽规 背孔刀 气动主轴 自动换刀主轴 防静电主轴 MSIY电主轴 高精密主轴 大扭矩电主轴 高斯计 直角电主轴 进口百分表 扭力起子 中村扭力扳手 脱磁器 螺纹深度规 主轴增速刀柄 RBZ浮动主轴 中心出水电主轴 气浮主轴 螺纹规
- 按应用领域分类
- 工程机械 数控机床 汽车制造 电子/光电 橡胶皮革检测 船舶制造 实验室/研究院 纺织业 精加工 雕刻 珠宝首饰 陶瓷工业 抛光去毛刺 PCB分板机加工 铣削加工 钻孔动力头 医疗加工 走心机高频铣 浮动去毛刺 小径深孔加工
- 按品牌分类
- AAA ASKER B2 BOWERS CITIZEN DMT FUJITOOL FISSO FUJIGEN HONDA GLOI HEINE KANETEC IMADA KANON KAYDIAMOND KROEPLIN MEYER MARUI MITUTOYO NAKANISHI PEACOCK PEAK PHOENIX PI-TAPE RSK RHEINTACHO SK SPI SUN SUPERTECH SWAN UNIVERSAL NOVAPAX XEBEC WIXEY Teclock tohnichi 富士KOSOKU RUBICON KEIBA TAJIMA NIKON Stanley SPI Engeering MARKAL PTC TMC THERMAX RION SHINKO STAO佐藤 TSUBOSAN OSKAR SCHWENK MARK-10 Microset starrett EENPAIX OJIYAS DIGITECH ROECKLE tites swiss Yamato Cherry DAIWA RABIN MSIY NRS PPS NSK
相关资讯
- 津上走心机S205A加装高频铣,铣钛合金骨钉梅花
- 进口工具量具保养及操作方法
- 环球同心度仪,用过都说好!
- 走芯机加载NSK高频铣实现高速精密零件加工
- 车载逆变器表面去刀纹,用xebec陶瓷纤维研磨刷
- 日本FUJECEN富士元桌上型倒角机,值得拥有!
- 【特价清仓】日本KANON数显卡尺ULJ15/ULJ20
- 凸轮机加装外径25mm电主轴,实现6万转精密加工
- NAKANISHI磨削专用高速主轴
- 广告行业高效智能切割主轴
- 西铁城走心机B12加装哪个型号高频铣?
- 日本强力KANETEC高斯计TM-801大量到货
- 高精密机床专用高速主轴之NAKANISHI中西ISPEED3
- 美国环球Universal内六角螺纹深度规使用方法
- 西铁城走心机L12,加装中西微型主轴铣医疗异型件
- PCB板切割如何选择合适的刀具?
- 手工研磨内孔研磨棒,就选XEBEC内孔研磨棒
- NE211控制器操作说明
- 2022年全球晶圆厂设备支出预计将达到近1000亿美元
- 铣刀分板机的九大特点
咨询热线:
彩博888 13612997620
传真:0755-23033513
Q Q:
地址:彩博888深圳市宝安49区华创达文化科技产业园D栋507
产品详情
联系我们
日本fine-techno机器人去毛刺浮动头AF-30

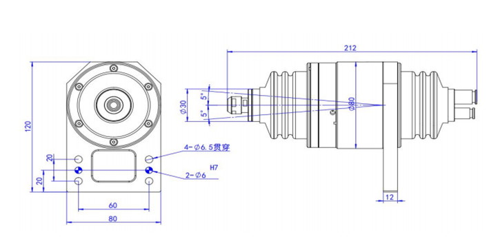
日本fine-techno机器人去毛刺浮动头AF-30,适用于搭配直径30mm的主轴,加装在自动化机械臂上使用。可360°方向浮动5°,Z方向浮动5mm ,去毛刺过程中可吸收产品的形变量,自适应加工,有效的保护刀具,降低调试难度。可机器人夹持工具使用,也可将工具固定,机器人夹持工件进行去毛刺作业。搭配日本NAKANISHI高速主轴进行柔性去毛刺。
AF30浮动打磨头特点
1.可360°方向浮动5°,Z方向浮动5mm ;
2.去毛刺过程中可吸收产品的形变量,自适应加工,有效的保护刀具,降低调试难度。
3.可机器人夹持工具使用,也可将工具固定,机器人夹持工件进行去毛刺作业。
可推荐耗材:
铣刀、旋转锉、锥度铣刀、钢丝刷、金钢石磨头、金钢石磨片、切割轮。
AF30浮动打磨头产品参数
| 型号 | 浮动方式 | 浮动范围 | 浮动压力 | 动力形式 | 功率 | 转速 | 扭矩 | 夹头 | 重量 | 冷却方式 |
| AF-30 | 360° | 360°±5°Z向5mm | 0.05-0.5Mpa | 气动/电动 | 130w | 19000 | 0.25N·m | 0.5-6.0 | 气冷 | 2.3Kg |
AF30浮动打磨头产品尺寸

AF30浮动打磨头工作原理
彩博888(1) 吸收 X 轴和 Y 轴方向的未测量部分

彩博888 (2)吸收 Z 轴方向的未测量部分

彩博888 (3)浮力可根据工作材料自由调整
1 、通过调节供应给气浮部分的气压,客户可以自由调节浮力(刀片的压力)。
彩博888 2、 使用精密调节器(标准附件)调节气压。
3 、气压调节范围为0.05MPa至0.2MPa。
4、 请注意,根据去毛刺棒压在工件上的姿势,浮动力会略有不同。
5 、浮动力可以通过使用电动气动调节器实现自动化。
彩博888 6、主轴电机可自由选择
AF30浮动打磨头产品展示



彩博888 订购:FT浮动去毛刺主轴刀柄





.jpg)


1960544536 


