春亨产品中心
- 按产品特性分类
- 水平仪 偏心仪 角度计 直角尺 同心度仪 高速主轴 内外测卡规 打磨机 钻石膏 各种量表 磨刀石 研磨油石 切削刀具 研磨刷 研磨工具 磁性工具 放大镜 内视镜 卡尺 千分尺 圆周尺 扭力工具 针规 间隙规 速度测试 高度尺/计 测量工具 硬度计 段差尺 焊道规 V型座 磁性吸盘 推拉力计 吊重磁盘 工业胶粘剂 研磨抛光 钳类工具 旋具工具 热敏试纸 粘度计 电子称 金属锉刀 复制胶膜 螺帽规 背孔刀 气动主轴 自动换刀主轴 国产电主轴 高精密主轴 E4000电主轴 高斯计 直角电主轴 进口百分表 扭力起子 中村扭力扳手 脱磁器 螺纹深度规
- 按应用领域分类
- 工程机械 数控机床 汽车制造 电子/光电 橡胶皮革检测 船舶制造 实验室/研究院 纺织业 精加工 雕刻 珠宝首饰 陶瓷工业 抛光去毛刺 PCB分板机加工 铣削加工 钻孔动力头 医疗加工 走心机高频铣 防静电主轴 浮动去毛刺 CNC增速刀柄
- 按品牌分类
- AAA ASKER B2 BOWERS CITIZEN DMT FUJITOOL FISSO FUJIGEN HONDA GLOI HEINE KANETEC IMADA KANON KAYDIAMOND KROEPLIN MEYER MARUI MITUTOYO NAKANISHI PEACOCK PEAK PHOENIX PI-TAPE RSK RHEINTACHO SK SPI SUN SUPERTECH SWAN UNIVERSAL NOVAPAX XEBEC WIXEY Teclock tohnichi 富士KOSOKU RUBICON KEIBA TAJIMA NIKON Stanley SPI Engeering MARKAL PTC TMC THERMAX RION SHINKO STAO佐藤 TSUBOSAN OSKAR SCHWENK MARK-10 Microset starrett EENPAIX OJIYAS DIGITECH ROECKLE tites swiss Yamato Cherry DAIWA RABIN
相关资讯
- NAKANISHI中西NSK高速主轴使用请注意空气过滤器的正常运作?
- 进口水平仪,春亨工具让您更安心
- 2021大湾区工业博览会,春亨工具应邀参展
- RSK水平仪如何调校?
- NAKANISHI高速主轴购买须知
- 高速主轴在精密加工中的应用
- 扭力扳手精度下降了怎么办?
- 津上走心机可以加装直径30mm的高速电主轴吗?
- 小小百分表,用途真不少!
- 进口喷雾罐专用卡规——德国KROEPLIN
- 强力kanetec台灯长型磁铁ME-3KJL新品上市
- NAKANISHI自动换刀电主轴,机械臂自动化复杂工件去毛刺首选
- NSK电动主轴E2000和E2530的区别?
- 印度修订五年计划,促清洁能源汽车发展斥资35亿美元
- 日本Rs-Japan超声波主轴在石英玻璃上的深孔加工应用
- NSK分板机主轴效率就是高
- 日本PEACOCK孔雀百分表的使用方法
- 预计全球前15大半导体厂商三季度营收1192亿美元
- 日本高速电主轴BMS-4020在工业机械臂上的应用
- 德国KROEPLIN卡规,让测量不是难题
咨询热线:
0755-29695109
电话:彩博8880755-29695109
手机:18124698426
传真:彩博8880755-23033513
Q Q:
地址:深圳市宝安49区华创达文化科技产业园D栋313
产品详情
联系我们
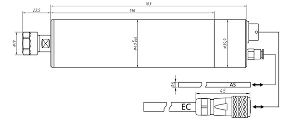
国产大扭矩电主轴4040-B20

彩博888 国产大扭矩电主轴4040-B20,转速3000~20000转/min,直径:40mm,扭矩高达60N·cm,输出功率400W,高转速、高精度,采用无刷电机,产品寿命长;常作为车床动力刀头,用于钻孔、铣削加工。具有IP64防护等级,防水防尘。
国产大扭矩电主轴4040-B20产品特点
彩博888 1.具有高转速、高精度、大扭矩的特点;
2.IP64防护等级,防水防尘;
3.采用无刷直流电机,无碳刷和灰尘,产品寿命长;
彩博888 4.钻孔加工、铣削加工、车床动力刀头。
国产大扭矩电主轴4040-B20产品参数
| 主轴(钢球轴承) | 直径 | 转速 | 主轴精度 | 扭矩 | 功率 | 夹头 | 重量 | ||
| 4040-B20 | Φ40mm | 3000~20000 min-1 | 1.5μm以内 | 60N·cm | 400W | ER11系列:1.0~7mm | 1.1kg | ||
额定电压:36V
彩博888 电流:高达12A
彩博888 轴承:前2*钢球轴承+后2*钢球轴承,油脂润滑
彩博888 防护等级: IP64(空气流量100L/ min)
锥面跳动:<1.5um
冷却系统:气冷+夹具散热
防水防尘:正压气幕防尘
彩博888 外壳材料:不锈钢
彩博888 内置温度传感器型号:内阻-10K;B值-3950
彩博888 内置电机类型:2极无刷直流电机
国产大扭矩主轴4040-B20产品尺寸

国产大扭矩主轴标准配置
彩博888 夹头类型:ER11板手夹紧
夹刀范围: 1.0mm-7.Omm
彩博888 负载方向:轴向+径向
工作位置:


订购:国产大扭矩电主轴4040-B20








1960544536 


