春亨产品中心
- 按产品特性分类
- 水平仪 偏心仪 角度计 直角尺 同心度仪 高速主轴 内外测卡规 打磨机 钻石膏 各种量表 磨刀石 研磨油石 切削刀具 研磨刷 研磨工具 磁性工具 放大镜 内视镜 卡尺 千分尺 圆周尺 扭力工具 针规 间隙规 速度测试 高度尺/计 测量工具 硬度计 段差尺 焊道规 V型座 磁性吸盘 推拉力计 吊重磁盘 工业胶粘剂 研磨抛光 钳类工具 旋具工具 热敏试纸 粘度计 电子称 金属锉刀 复制胶膜 螺帽规 背孔刀 气动主轴 自动换刀主轴 防静电主轴 国产电主轴 高精密主轴 大扭矩电主轴 高斯计 直角电主轴 进口百分表 扭力起子 中村扭力扳手 脱磁器 螺纹深度规 CNC增速刀柄 RBZ浮动主轴 中心出水电主轴
- 按应用领域分类
- 工程机械 数控机床 汽车制造 电子/光电 橡胶皮革检测 船舶制造 实验室/研究院 纺织业 精加工 雕刻 珠宝首饰 陶瓷工业 抛光去毛刺 PCB分板机加工 铣削加工 钻孔动力头 医疗加工 走心机高频铣 浮动去毛刺 小径深孔加工
- 按品牌分类
- AAA ASKER B2 BOWERS CITIZEN DMT FUJITOOL FISSO FUJIGEN HONDA GLOI HEINE KANETEC IMADA KANON KAYDIAMOND KROEPLIN MEYER MARUI MITUTOYO NAKANISHI PEACOCK PEAK PHOENIX PI-TAPE RSK RHEINTACHO SK SPI SUN SUPERTECH SWAN UNIVERSAL NOVAPAX XEBEC WIXEY Teclock tohnichi 富士KOSOKU RUBICON KEIBA TAJIMA NIKON Stanley SPI Engeering MARKAL PTC TMC THERMAX RION SHINKO STAO佐藤 TSUBOSAN OSKAR SCHWENK MARK-10 Microset starrett EENPAIX OJIYAS DIGITECH ROECKLE tites swiss Yamato Cherry DAIWA RABIN MSIY
相关资讯
- 【水平尺】的种类和用途
- 日本NAKANSIHI分板机主轴无尘无毛刺防静电创新工艺
- 机器人手臂去毛刺选什么主轴好?日本NAKANISHI看一看!
- 扭力起子使用及工作原理
- 登鹏程第一高峰,观深圳高楼大厦
- 80mm直径浮动打磨主轴,超高性价比
- 日本得乐TECLOCK精密量表,优势供应。
- Nakanishi电主轴E3000控制器E6报警怎么解决?
- 瑞士TITES螺纹规,高精密微小型螺纹规(可定制)
- 模具镜面抛光,当然选择NAKANISHI打磨机
- ASKER新产品之作DD4数显橡胶硬度计
- NAKANISHI高刚性一体式电主轴BMS-4040RA-RGD
- RSK水平仪零位如何调整
- 日本NAKANISHI电动主轴与气动高速主轴的区别
- 日本NAKANISHI高速电主轴使用寿命有多长?
- 钻孔动力头选日本NAKANISHI高速主轴EM20-S6000
- CNC机床增速器:选择日本NAKANISHI高速主轴
- BMS-4020高速主轴在工业机械臂领域的广泛应用
- 一文概括美国DMT磨刀石的种类
- 机床设备校准用RSK水平仪
咨询热线:
0755-29695109
电话:0755-29695109
手机:彩博88818124698426
传真:彩博8880755-23033513
Q Q:
地址:彩博888深圳市宝安49区华创达文化科技产业园D栋313
产品详情
联系我们
机械臂末端AF20自动化浮动去毛刺刀柄

日本fine-techno机械臂自动化去毛刺浮动刀柄AF20,是一种气浮式去毛刺附件,可以去除铸铁、铝合金、树脂等工件毛刺,搭配电主轴、气动锉刀就能使用,浮动力可以通过外部气压自动控制,气压调节范围为0.05MPa-0.2MPa,AF20浮动头可实现轴向上下5mm,径向360度±5°的双向浮动。
AF20浮动去毛刺刀柄特点
AF20气浮式去毛刺刀柄——针对去毛刺加工时具有以下优势:
彩博8881)刀具与工件柔性接触,可防止多切现象;
2)刀具与工件之间的压付力可以调节;
彩博8883)可消除工件误差、定位误差,确保刀具与工件亲密接触;
3)通过调整浮动力,可以同时去除很小的毛刺和比较的水口部。
AF20浮动去毛刺刀柄浮动方向
(1)径向浮动

彩博888AF20浮动去毛刺刀柄可自动吸收X轴和Y轴方向上末测量部分的毛刺
气浮(电机主轴安装部分)偏离(倾斜)轴最大5°,并且在偏离时可以在径向方向上自由移动360°。
(2)轴向浮动

彩博888AF20浮动去毛刺刀柄还可自动吸手Z轴方向未测量不问的毛刺,AF20浮动去毛刺刀柄的轴向浮动力大小为上下5mm.
AF20浮动去毛刺刀柄浮动力怎么调节?
AF20浮动去毛刺刀柄的浮动力可根据工件材料自动调节:具体为

彩博888 1 、通过调节供应给气浮部分的气压,客户可以自由调节浮力(刀片的压力)。
彩博888 2、 使用精密调节器(标准附件)调节气压。
彩博888 3 、气压调节范围为0.05MPa至0.2MPa。
4、 请注意,根据去毛刺棒压在工件上的姿势,浮动力会略有不同。
5 、浮动力可以通过使用电动气动调节器实现自动化。
AF20浮动去毛刺刀柄可搭配什么工具加工?
AF20浮动去毛刺刀柄可搭配外径20mm的电主轴、气动主轴、气动锉刀等(20mm的安装孔)搭配使用耗材有:铣刀、旋转锉、锥度铣刀、钢丝刷、金钢石磨头、金钢石磨片、切割轮等。
AF20浮动去毛刺刀柄产品参数
| 型号 | 浮动方式 | 浮动范围 | 浮动压力 | 动力形式 | 功率 | 转速 | 扭矩 | 夹头 | 重量 |
| AF20 | 双向浮动 | 360°±5 °Z向5mm | 0.05-0.5Mpa | 气动/电动 | 120W | 19000 | 0.25N·m | 0.5-4.0 | 0.76kg |
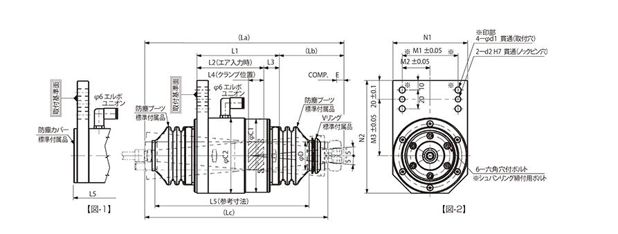
AF20浮动去毛刺刀柄产品尺寸


彩博888 订购:AF20浮动去毛刺刀柄








1960544536