春亨产品中心
- 按产品特性分类
- 水平仪 偏心仪 角度计 直角尺 同心度仪 高速主轴 内外测卡规 打磨机 钻石膏 各种量表 磨刀石 研磨油石 切削刀具 研磨刷 研磨工具 磁性工具 放大镜 内视镜 卡尺 千分尺 圆周尺 扭力工具 针规 间隙规 速度测试 高度尺/计 测量工具 硬度计 段差尺 焊道规 V型座 磁性吸盘 推拉力计 吊重磁盘 工业胶粘剂 研磨抛光 钳类工具 旋具工具 热敏试纸 粘度计 电子称 金属锉刀 复制胶膜 螺帽规 背孔刀 气动主轴 自动换刀主轴 防静电主轴 MSIY电主轴 高精密主轴 大扭矩电主轴 高斯计 直角电主轴 进口百分表 扭力起子 中村扭力扳手 脱磁器 螺纹深度规 主轴增速刀柄 RBZ浮动主轴 中心出水电主轴 气浮主轴 螺纹规
- 按应用领域分类
- 工程机械 数控机床 汽车制造 电子/光电 橡胶皮革检测 船舶制造 实验室/研究院 纺织业 精加工 雕刻 珠宝首饰 陶瓷工业 抛光去毛刺 PCB分板机加工 铣削加工 钻孔动力头 医疗加工 走心机高频铣 浮动去毛刺 小径深孔加工
- 按品牌分类
- AAA ASKER B2 BOWERS CITIZEN DMT FUJITOOL FISSO FUJIGEN HONDA GLOI HEINE KANETEC IMADA KANON KAYDIAMOND KROEPLIN MEYER MARUI MITUTOYO NAKANISHI PEACOCK PEAK PHOENIX PI-TAPE RSK RHEINTACHO SK SPI SUN SUPERTECH SWAN UNIVERSAL NOVAPAX XEBEC WIXEY Teclock tohnichi 富士KOSOKU RUBICON KEIBA TAJIMA NIKON Stanley SPI Engeering MARKAL PTC TMC THERMAX RION SHINKO STAO佐藤 TSUBOSAN OSKAR SCHWENK MARK-10 Microset starrett EENPAIX OJIYAS DIGITECH ROECKLE tites swiss Yamato Cherry DAIWA RABIN MSIY NRS PPS NSK
相关资讯
- 中西NAKANISHI主轴增速头HES510加工视频
- PCB分板机主轴,为什么要首选NAKANISHI高速主轴?
- 日本SK针规可广泛应用于12种应用场合
- 进口高速气动主轴MSS-2030R,转速3万,外径20mm
- 中村kanon活动开口扳手,可在狭窄位置使用
- 日本NSK高频铣适用于津上走心机多种机型
- 眼镜框外圈切割,用MSIY-3060电主轴,转速6万
- NAKANISHI电动打磨机EV410-230使用方法
- 600mm机床气泡水平仪哪里买?春亨工具特价出售
- 5万转电动打磨机EV410-230,搭配哪些耗材抛光?
- 数控车床加装中西高频铣,实现车铣复合加工
- 扭力扳手精度下降了怎么办?
- 中西直角高速主轴RAX-271E自动化鞋底打磨加工案例
- 汽车油泥模型刮刀用那个牌子磨刀石比较好?
- 当NAKANISHI主轴遇到XEBEC研磨刷,实现自动化去毛刺
- 走心机钻不锈钢0.3mm小孔,加装高频铣就可以
- 板材倒角?没这么难,富士元倒角机轻松解决
- 美国DMT冰刀磨刀石W250EFNB尺寸是多大?
- 进口抛光油石条哪个牌子好用?推荐AAA和XEBEC
- NAKANISHI主轴代理商,找春亨工具最正确的选择
咨询热线:
13612997620
传真:0755-23033513
Q Q:
地址:彩博888深圳市宝安49区华创达文化科技产业园D栋507
产品详情
联系我们
ASKER橡胶硬度计BL型
产品特点:


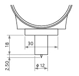
压针的外形是圆锥形梯形高度2.50mm

加压面与试料间接触的面积需在44*18mm尺寸范围以上的情况下才能正确测量,试料的测量部位狭小或者对凹陷部位进行检测的情况下,则使用长脚型硬度计(BL型)
规格选择图:


上图所示为橡胶硬度计的种类图, 根据试样的种类设计不同的硬度计. 符合 JIS K 6253标准的A型橡胶硬度计是最普遍最常用的一款.但是通常情况下,测量值在10点~90点之间,使用A型硬度计,A90点以上时使用D型硬度计(硬质材料使用),A20点以下时使用C型或E型硬度计(软质材料使用)。就是说,根据试料的种类选择合适的机型最重要。
规格尺寸:

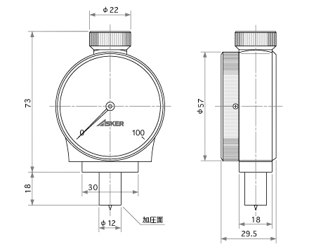
符合标准 | ASTM D 2240 |
测量刻度 | 0 点 ~100 点 (262° 刻度) |
最小刻度 | 1 点 (审定精度 ±1 点) |
押针形状 mm | 高 2.50 30°圆锥形 先端 R0.1 |
弹簧荷重 mN (g) | 0 点 550(56) |
加压面中心孔 mm | Φ3 |
加压面尺寸 mm | Φ12 脚部长L 18 |
外形尺寸 mm | 约宽57× 厚 30× 高 94 |
重量 g | 200 |
用途 | 半硬质材料,生陶瓷或未烧陶瓷 |

订购:ASKER橡胶硬度计BL型








1960544536 


