春亨产品中心
- 按产品特性分类
- 水平仪 偏心仪 角度计 直角尺 同心度仪 高速主轴 内外测卡规 打磨机 钻石膏 各种量表 磨刀石 研磨油石 切削刀具 研磨刷 研磨工具 磁性工具 放大镜 内视镜 卡尺 千分尺 圆周尺 扭力工具 针规 间隙规 速度测试 高度尺/计 测量工具 硬度计 段差尺 焊道规 V型座 磁性吸盘 推拉力计 吊重磁盘 工业胶粘剂 研磨抛光 钳类工具 旋具工具 热敏试纸 粘度计 电子称 金属锉刀 复制胶膜 螺帽规 背孔刀 气动主轴 自动换刀主轴 防静电主轴 MSIY电主轴 高精密主轴 大扭矩电主轴 高斯计 直角电主轴 进口百分表 扭力起子 中村扭力扳手 脱磁器 螺纹深度规 主轴增速刀柄 RBZ浮动主轴 中心出水电主轴 气浮主轴 螺纹规
- 按应用领域分类
- 工程机械 数控机床 汽车制造 电子/光电 橡胶皮革检测 船舶制造 实验室/研究院 纺织业 精加工 雕刻 珠宝首饰 陶瓷工业 抛光去毛刺 PCB分板机加工 铣削加工 钻孔动力头 医疗加工 走心机高频铣 浮动去毛刺 小径深孔加工
- 按品牌分类
- AAA ASKER B2 BOWERS CITIZEN DMT FUJITOOL FISSO FUJIGEN HONDA GLOI HEINE KANETEC IMADA KANON KAYDIAMOND KROEPLIN MEYER MARUI MITUTOYO NAKANISHI PEACOCK PEAK PHOENIX PI-TAPE RSK RHEINTACHO SK SPI SUN SUPERTECH SWAN UNIVERSAL NOVAPAX XEBEC WIXEY Teclock tohnichi 富士KOSOKU RUBICON KEIBA TAJIMA NIKON Stanley SPI Engeering MARKAL PTC TMC THERMAX RION SHINKO STAO佐藤 TSUBOSAN OSKAR SCHWENK MARK-10 Microset starrett EENPAIX OJIYAS DIGITECH ROECKLE tites swiss Yamato Cherry DAIWA RABIN MSIY NRS PPS NSK
相关资讯
- 迷你超声波抛光机
- 汽车齿轮倒角去毛刺,用日本NAKANISHI高速电主轴
- 阳春三月,与春亨工具一起相约北京国际机床展览会!
- NSK中西打磨机ES50T-HR,模具精密打磨抛光专用
- 德国kroeplin数显外卡规L230,凹槽测量精密仪器
- 铝铸件如何实现气动去毛刺?加装msiy气动浮动主轴
- 日本NAKANISHI高精密主轴BM-320F在小型数控车床的铣削应用
- 中西NAKANISHI自动换刀主轴NR3060-AQC特点
- 工业机器人自动化去除汽车缸盖毛刺应用视频
- 美国STARRETT施泰力数显卡尺
- 进口工具一站式供应商春亨工具
- 细孔深度测量用什么仪器好呢?推荐日本中村KANON深度卡尺
- 铸铁焊缝抛光,机械臂加装msiy-62浮动电主轴
- 日本NAKANISHI气动打磨机ROTUS-IR的结构及应用
- NSK高速主轴
- RSK水平仪期待与您再次相会
- 铝铸件3mm披锋毛刺,可用MSIY-40浮动电主轴
- nakanishi中西高频铣BM-320F的加工精度如何控制?
- NAKANISHI高速主轴夹头和刀具的更换方法
- 日本KANON中村数显扭力校正仪
咨询热线:
彩博888 13612997620
传真:0755-23033513
Q Q:
地址:深圳市宝安49区华创达文化科技产业园D栋507
产品详情
联系我们
ASKER橡胶硬度计C2L型
产品特点:


压针的外形是圆锥形梯形高度2.50mm
规格选择图:


上图所示为橡胶硬度计的种类图, 根据试样的种类设计不同的硬度计. 符合 JIS K 6253标准的A型橡胶硬度计是最普遍最常用的一款.但是通常情况下,测量值在10点~90点之间,使用A型硬度计,A90点以上时使用D型硬度计(硬质材料使用),A20点以下时使用C型或E型硬度计(软质材料使用)。就是说,根据试料的种类选择合适的机型最重要。
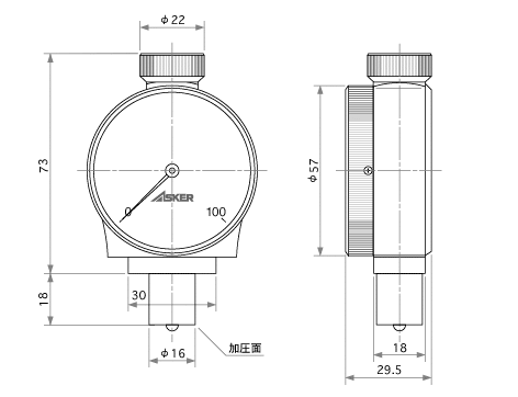
规格尺寸:

测量刻度 | 0 点 ~100 点 (262° 刻度) |
最小刻度 | 1 点 (审定精度 ±1 点) |
押针形状 mm | 高 2.54 φ5.08半球 |
弹簧荷重 mN (g) | 0 点 539(55) 100 点 4460(455) |
加压面中心孔 mm | Φ5.5 |
加压面尺寸 mm | 44×18 (长方形) |
外形尺寸 mm | 约宽57× 厚 30× 高 76 |
重量 g | 200 |
用途 | 软橡胶、聚氨酯泡沫塑料、海绵、绕线 、胶片 、瓷土 |

ASKER硬度计C2L型|日本ASKER橡胶硬度计|邵氏硬度计
彩博888 订购:ASKER橡胶硬度计C2L型








1960544536 


