春亨产品中心
- 按产品特性分类
- 水平仪 偏心仪 角度计 直角尺 同心度仪 高速主轴 内外测卡规 打磨机 钻石膏 各种量表 磨刀石 研磨油石 切削刀具 研磨刷 研磨工具 磁性工具 放大镜 内视镜 卡尺 千分尺 圆周尺 扭力工具 针规 间隙规 速度测试 高度尺/计 测量工具 硬度计 段差尺 焊道规 V型座 磁性吸盘 推拉力计 吊重磁盘 工业胶粘剂 研磨抛光 钳类工具 旋具工具 热敏试纸 粘度计 电子称 金属锉刀 复制胶膜 螺帽规 背孔刀 气动主轴 自动换刀主轴 防静电主轴 MSIY电主轴 高精密主轴 大扭矩电主轴 高斯计 直角电主轴 进口百分表 扭力起子 中村扭力扳手 脱磁器 螺纹深度规 主轴增速刀柄 RBZ浮动主轴 中心出水电主轴 气浮主轴 螺纹规
- 按应用领域分类
- 工程机械 数控机床 汽车制造 电子/光电 橡胶皮革检测 船舶制造 实验室/研究院 纺织业 精加工 雕刻 珠宝首饰 陶瓷工业 抛光去毛刺 PCB分板机加工 铣削加工 钻孔动力头 医疗加工 走心机高频铣 浮动去毛刺 小径深孔加工
- 按品牌分类
- AAA ASKER B2 BOWERS CITIZEN DMT FUJITOOL FISSO FUJIGEN HONDA GLOI HEINE KANETEC IMADA KANON KAYDIAMOND KROEPLIN MEYER MARUI MITUTOYO NAKANISHI PEACOCK PEAK PHOENIX PI-TAPE RSK RHEINTACHO SK SPI SUN SUPERTECH SWAN UNIVERSAL NOVAPAX XEBEC WIXEY Teclock tohnichi 富士KOSOKU RUBICON KEIBA TAJIMA NIKON Stanley SPI Engeering MARKAL PTC TMC THERMAX RION SHINKO STAO佐藤 TSUBOSAN OSKAR SCHWENK MARK-10 Microset starrett EENPAIX OJIYAS DIGITECH ROECKLE tites swiss Yamato Cherry DAIWA RABIN MSIY NRS PPS NSK
相关资讯
- 5万转电动打磨机EV410-230,搭配哪些耗材抛光?
- 专注代理日本原装RSK水平仪,用户放心选购的好产品
- 大扭矩电主轴BMS-4020RA,快速去除汽车驱动板焊渣
- 中村kanon六角头标记式扭力扳手N140MQLK-E
- 中村数显中心距卡尺使用方法与步骤
- 走芯机为何要安装日本NAKANISHI高频铣
- 中西nakanishi气浮主轴,小径刀具精密加工必备
- NAKANISHI中西NSK 的控制器E3000最低可以达到多少转?
- 高精密杠杠千分表,首选PEACOCK孔雀PCN-S
- 中村头部交换式扭力扳手,可配多种扳手头
- 日本NAKANISHI高速电主轴在数控雕刻机上的应用
- 津上走心机S205A加装高频铣,铣钛合金骨钉梅花
- NAKANISHI气动主轴加工实用案例
- 铜件钻0.15*1mm的小孔,用中西5万转电主轴更划算
- 日本NSK量具高品质,低价格促销
- 去毛刺神器-NSK打磨机
- 您还在人工去毛刺?
- 日本NAKANISHI高速主轴最新出品
- 日本NAKANISHI新款电动打磨机sheenus ZERO全新上市
- 日本PEACOCK界限量表——实现自动化质检的必备仪器
咨询热线:
彩博888 13612997620
传真:0755-23033513
Q Q:
地址:彩博888深圳市宝安49区华创达文化科技产业园D栋507
产品详情
联系我们
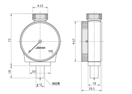
ASKER橡胶硬度计DL型
产品特点:


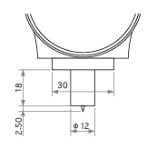
高 2.50mm.的圆锥形压针
规格选择图:


上图所示为橡胶硬度计的种类图, 根据试样的种类设计不同的硬度计. 符合 JIS K 6253标准的A型橡胶硬度计是最普遍最常用的一款.但是通常情况下,测量值在10点~90点之间,使用A型硬度计,A90点以上时使用D型硬度计(硬质材料使用),A20点以下时使用C型或E型硬度计(软质材料使用)。就是说,根据试料的种类选择合适的机型最重要
规格尺寸:

符合标准 | JIS K 6253 |
测量刻度 | 0点 ~100 点 (262° 刻度) |
最小刻度 | 1 点 (审定精度 ±1点) |
押针形状mm | 高2.50mm 35° 圆锥梯形 端面直径 φ0.79 |
弹簧荷重mN (g) | 0 点 550(56) |
加压面中心孔 mm | φ3 |
加压面尺寸 mm | 44×18 (长方形) |
外形尺寸 mm | 约 宽57× 厚 30× 高 76 |
重量g | 200 |
用途 | 普通橡胶 软塑料
|

彩博888 订购:ASKER橡胶硬度计DL型








1960544536 


