春亨产品中心
- 按产品特性分类
- 水平仪 偏心仪 角度计 直角尺 同心度仪 高速主轴 内外测卡规 打磨机 钻石膏 各种量表 磨刀石 研磨油石 切削刀具 研磨刷 研磨工具 磁性工具 放大镜 内视镜 卡尺 千分尺 圆周尺 扭力工具 针规 间隙规 速度测试 高度尺/计 测量工具 硬度计 段差尺 焊道规 V型座 磁性吸盘 推拉力计 吊重磁盘 工业胶粘剂 研磨抛光 钳类工具 旋具工具 热敏试纸 粘度计 电子称 金属锉刀 复制胶膜 螺帽规 背孔刀 气动主轴 自动换刀主轴 防静电主轴 MSIY电主轴 高精密主轴 大扭矩电主轴 高斯计 直角电主轴 进口百分表 扭力起子 中村扭力扳手 脱磁器 螺纹深度规 主轴增速刀柄 RBZ浮动主轴 中心出水电主轴 气浮主轴 螺纹规
- 按应用领域分类
- 工程机械 数控机床 汽车制造 电子/光电 橡胶皮革检测 船舶制造 实验室/研究院 纺织业 精加工 雕刻 珠宝首饰 陶瓷工业 抛光去毛刺 PCB分板机加工 铣削加工 钻孔动力头 医疗加工 走心机高频铣 浮动去毛刺 小径深孔加工
- 按品牌分类
- AAA ASKER B2 BOWERS CITIZEN DMT FUJITOOL FISSO FUJIGEN HONDA GLOI HEINE KANETEC IMADA KANON KAYDIAMOND KROEPLIN MEYER MARUI MITUTOYO NAKANISHI PEACOCK PEAK PHOENIX PI-TAPE RSK RHEINTACHO SK SPI SUN SUPERTECH SWAN UNIVERSAL NOVAPAX XEBEC WIXEY Teclock tohnichi 富士KOSOKU RUBICON KEIBA TAJIMA NIKON Stanley SPI Engeering MARKAL PTC TMC THERMAX RION SHINKO STAO佐藤 TSUBOSAN OSKAR SCHWENK MARK-10 Microset starrett EENPAIX OJIYAS DIGITECH ROECKLE tites swiss Yamato Cherry DAIWA RABIN MSIY NRS PPS NSK
相关资讯
- 高速电主轴如何选型?这篇文章一次给您讲清楚
- 内圆磨床主轴哪个牌子好?NRAF-5080气浮电主轴
- KANON扭力扳手N25QLK-SW和N25QLK-SWPM区别
- star走心机钻0.5mm的微小孔,用哪个型号高频铣?
- RSK水平仪担心买到高仿品?代理商教你如何辨别.
- NAKANISHI自动换刀电主轴,机械臂自动化复杂工件去毛刺首选
- 勿让轮廓倒角阻碍效率提升-FUJIGEN倒角刀
- 中西nakanishi新型分板机主轴NR50-6000ATC-RS
- 细数几款常用的日本NAKANISHI直角电主轴型号
- 缸盖去毛刺,机械臂加装3支直角电主轴RAX-271E
- 我国连续7年成为世界上ZUI大的工业机器人应用市场
- 机械臂汽车轮毂螺栓孔内打磨,用NAKANISHI浮动主轴
- 日本强力KANETEC高斯计TM-801大量到货
- 进口水平仪,当然选择日RSK品牌
- KANETEC高斯计TM-801
- 亚克力切割用NAKANISHI高速切割电主轴
- 库卡kuka工业机器人去毛刺,用MSIY浮动电主轴
- 加工中心加装NSK自动换刀主轴进行R2端铣应用
- 汽车轮毂去毛刺,用自动换刀主轴NR3060-AQC
- 满足客户需求的RSK水平仪
咨询热线:
彩博888 13612997620
传真:0755-23033513
Q Q:
地址:深圳市宝安49区华创达文化科技产业园D栋507
产品详情
联系我们
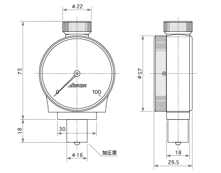
ASKER橡胶硬度计EL型
产品特点:


测针:高 2.50mm半球形压针
规格选择图:


上图所示为橡胶硬度计的种类图, 根据试样的种类设计不同的硬度计. 符合 JIS K 6253标准的A型橡胶硬度计是最普遍最常用的一款.但是通常情况下,测量值在10点~90点之间,使用A型硬度计,A90点以上时使用D型硬度计(硬质材料使用),A20点以下时使用C型或E型硬度计(软质材料使用)。就是说,根据试料的种类选择合适的机型最重要
规格尺寸:

符合标准 | JIS K 7312 |
测量刻度 | 0 点 ~100 点 (262° 刻度) |
最小刻度 | 1 点 (审定精度 ±1点) |
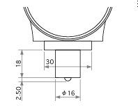
押针形状 mm | 高 2.54mm直径 φ5.08半球形 |
弹簧荷重 mN (g) | 0 点 539(55) |
加压面中心孔 mm | Φ5.5 |
加压面尺寸 mm | 44×18 (长方形) |
外形尺寸 mm | 约宽57× 厚 30× 高94 |
重量 g | 200 |
用途 | 软橡胶、聚氨酯泡沫塑料、海绵、绕线、胶片 、瓷土 、鞋料 |

彩博888 订购:ASKER橡胶硬度计EL型








1960544536 


