春亨产品中心
- 按产品特性分类
- 水平仪 偏心仪 角度计 直角尺 同心度仪 高速主轴 内外测卡规 打磨机 钻石膏 各种量表 磨刀石 研磨油石 切削刀具 研磨刷 研磨工具 磁性工具 放大镜 内视镜 卡尺 千分尺 圆周尺 扭力工具 针规 间隙规 速度测试 高度尺/计 测量工具 硬度计 段差尺 焊道规 V型座 磁性吸盘 推拉力计 吊重磁盘 工业胶粘剂 研磨抛光 钳类工具 旋具工具 热敏试纸 粘度计 电子称 金属锉刀 复制胶膜 螺帽规 背孔刀 气动主轴 自动换刀主轴 防静电主轴 MSIY电主轴 高精密主轴 大扭矩电主轴 高斯计 直角电主轴 进口百分表 扭力起子 中村扭力扳手 脱磁器 螺纹深度规 主轴增速刀柄 RBZ浮动主轴 中心出水电主轴 气浮主轴 螺纹规
- 按应用领域分类
- 工程机械 数控机床 汽车制造 电子/光电 橡胶皮革检测 船舶制造 实验室/研究院 纺织业 精加工 雕刻 珠宝首饰 陶瓷工业 抛光去毛刺 PCB分板机加工 铣削加工 钻孔动力头 医疗加工 走心机高频铣 浮动去毛刺 小径深孔加工
- 按品牌分类
- AAA ASKER B2 BOWERS CITIZEN DMT FUJITOOL FISSO FUJIGEN HONDA GLOI HEINE KANETEC IMADA KANON KAYDIAMOND KROEPLIN MEYER MARUI MITUTOYO NAKANISHI PEACOCK PEAK PHOENIX PI-TAPE RSK RHEINTACHO SK SPI SUN SUPERTECH SWAN UNIVERSAL NOVAPAX XEBEC WIXEY Teclock tohnichi 富士KOSOKU RUBICON KEIBA TAJIMA NIKON Stanley SPI Engeering MARKAL PTC TMC THERMAX RION SHINKO STAO佐藤 TSUBOSAN OSKAR SCHWENK MARK-10 Microset starrett EENPAIX OJIYAS DIGITECH ROECKLE tites swiss Yamato Cherry DAIWA RABIN MSIY NRS PPS NSK
相关资讯
- 日本HONDA本多超声波切割刀的工作原理
- 日本NAKANISHI自动换刀主轴,分板机行业通销品
- 如何选购内径卡规测量产品
- 中西nakanishi高频铣BM-322,走心机挂架常用动力头
- NAKANISHI中西NSK E3000高速电主轴的性能,不容你忽视
- 喷雾罐测量卡规
- 中西40000转高速电主轴NR-403E,切割/钻孔/研磨
- tohnichi空转式扭力起子RTD系列,春亨工具优势供应
- 一款能预防出错的空转式中村扭力起子
- 铣削电主轴EMA-3020K,实现车铣复合加工功能
- 6轴机械臂+MSIY30浮动主轴:1微米精度齿轮去毛刺
- 高精密微小深孔加工,用中心出水电主轴CTS-3030
- 注塑件去合模线用msiy-30浮动主轴,表面光滑平整
- 机器人去除3mm压铸件合模线?加装RBZ浮动主轴
- 买NAKANISHI高速主轴找春亨工具,这句话没毛病
- NAKANISHI中心出水电主轴BMS-4020-MQL-CHK优点分析
- 进口工具供应商春亨工具主要代理产品
- 铝合金航空件铣削,用中西高刚性主轴BMS-4040-RGD
- ASKER橡胶硬度计
- 日本SK数显水平仪,提高机床校准效率
咨询热线:
13612997620
传真:彩博8880755-23033513
Q Q:
地址:彩博888深圳市宝安49区华创达文化科技产业园D栋507
产品详情
联系我们
1.2KW中心出水主轴CTM-4020

彩博888中西nakanishi中心出水电主轴CTM-4020,高压水冷电主轴,功率1.2KW,转速200,000min?1可调节,可夹持刀具φ3.0~φ6.35mm。特别适用于钢件等硬质材料小径钻深孔使用。
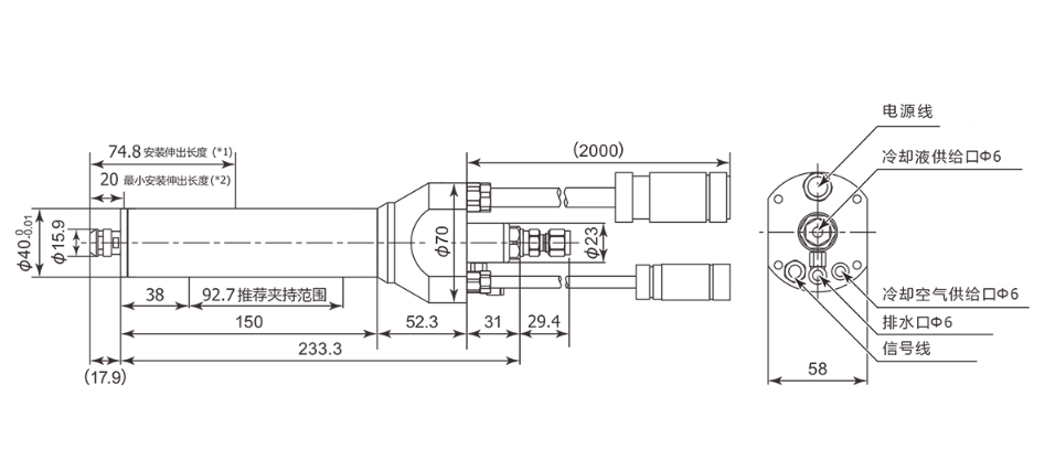
中心出水主轴CTM-4020参数
型号:CTM-4020
外径:φ40mm
转速:20000rpm
功率:1200W
主轴精度: 1μm以内
冷却液压力:0.5-30MPa
筒夹型号:CHK-OH系列 (φ3.0~φ6.35 mm)
重量:2600g
标准配件螺帽(K-265) / 扳手(12 X 14): 2 pcs
中心出水主轴CTM-4020尺寸

中心出水主轴CTM-4020用途

彩博888通常安装在CNC机床/专用机,用于钻孔、铣削、研磨等高精密加工。
中心出水主轴CTM-4020特点

彩博888冷却液可以从带有冷却液孔的钻头前端喷出。
从而实现深孔钻孔和高效加工主轴支持高达20MPa的冷却液压力冷却液供应位于前部,外形紧凑。
彩博888主轴可以安装在机床制造商生产的自动车床上。
中心出水主轴CTM-4020应用案例


材质:SUS303
主轴型号:CTM-4020
工件材质:SUS303
切削速度:31m/min
加工转速:2万转每分钟
进给量:0.01mm/rev
进给速度:200mm/min
订购:中心出水主轴CTM-4020








1960544536