春亨产品中心
- 按产品特性分类
- 水平仪 偏心仪 角度计 直角尺 同心度仪 高速主轴 内外测卡规 打磨机 钻石膏 各种量表 磨刀石 研磨油石 切削刀具 研磨刷 研磨工具 磁性工具 放大镜 内视镜 卡尺 千分尺 圆周尺 扭力工具 针规 间隙规 速度测试 高度尺/计 测量工具 硬度计 段差尺 焊道规 V型座 磁性吸盘 推拉力计 吊重磁盘 工业胶粘剂 研磨抛光 钳类工具 旋具工具 热敏试纸 粘度计 电子称 金属锉刀 复制胶膜 螺帽规 背孔刀 气动主轴 自动换刀主轴 防静电主轴 MSIY电主轴 高精密主轴 大扭矩电主轴 高斯计 直角电主轴 进口百分表 扭力起子 中村扭力扳手 脱磁器 螺纹深度规 主轴增速刀柄 RBZ浮动主轴 中心出水电主轴 气浮主轴 螺纹规
- 按应用领域分类
- 工程机械 数控机床 汽车制造 电子/光电 橡胶皮革检测 船舶制造 实验室/研究院 纺织业 精加工 雕刻 珠宝首饰 陶瓷工业 抛光去毛刺 PCB分板机加工 铣削加工 钻孔动力头 医疗加工 走心机高频铣 浮动去毛刺 小径深孔加工
- 按品牌分类
- AAA ASKER B2 BOWERS CITIZEN DMT FUJITOOL FISSO FUJIGEN HONDA GLOI HEINE KANETEC IMADA KANON KAYDIAMOND KROEPLIN MEYER MARUI MITUTOYO NAKANISHI PEACOCK PEAK PHOENIX PI-TAPE RSK RHEINTACHO SK SPI SUN SUPERTECH SWAN UNIVERSAL NOVAPAX XEBEC WIXEY Teclock tohnichi 富士KOSOKU RUBICON KEIBA TAJIMA NIKON Stanley SPI Engeering MARKAL PTC TMC THERMAX RION SHINKO STAO佐藤 TSUBOSAN OSKAR SCHWENK MARK-10 Microset starrett EENPAIX OJIYAS DIGITECH ROECKLE tites swiss Yamato Cherry DAIWA RABIN MSIY NRS PPS NSK
相关资讯
- 千分尺日常应用及维护
- 托纳斯走心机GT系列加装高速电主轴NR-3060S
- NSK打磨机,模具抛光中的战斗机!
- PEACOCK孔雀新旧型号对照表
- 【RSK水平仪】春亨工具秘密武器让销量增倍
- 机械臂去披锋毛刺,为什么要选择MSIY-40浮动主轴?
- nakanishi中西精密气浮主轴,有哪几款型号?
- 钢件铣削高光,用nakanishi中西6万转自动换刀主轴
- 日本富士元FUJIGEN倒角机
- NAKANISHI高速主轴如何保养
- 如何正确使用水平仪
- NSK高速主轴为国产机床发展创造机遇
- star走心机钻0.5mm的微小孔,用哪个型号高频铣?
- 铝铸件机加工后毛刺,机械臂加装MSIY-40浮动主轴去除
- 铝合金端铣加工用这款高速精密主轴BMS-4040
- 德国kroeplin喷雾罐卡规,为喷雾罐测量量身而做!
- 日本KANETEC强力磁性表座
- NAKANISHI自动换刀主轴-换刀原理及换刀步骤
- 不锈钢钻1.7X25mm的孔,用MSIY-3316电主轴更划算
- 汽车铸件用哪个牌子的电动打磨机好?
咨询热线:
彩博888 13612997620
传真:0755-23033513
Q Q:
地址:深圳市宝安49区华创达文化科技产业园D栋507
产品详情
联系我们
日本fine-techno浮动去毛刺打磨头AF40

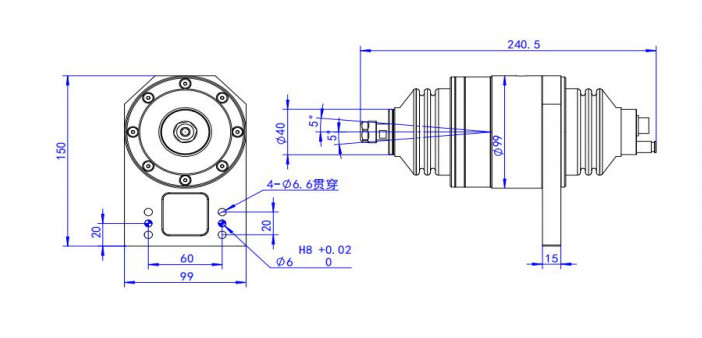
日本fine-techno浮动去毛刺打磨头AF40浮动,可360°方向浮动5°,Z方向浮动5mm ,去毛刺过程中可吸收产品的形变量,自适应加工,有效的保护刀具,降低调试难度。一般搭配日本NAKANISHI高速主轴进行柔性去毛刺。
彩博888 Fine Techno AF40浮动打磨套装由40mmNAKANISHI高速电主轴+AF40浮动刀柄+E4000控制器+电源线组成套装使用,如下图所示:

FT浮动去毛刺打磨头AF40加工视频
FT浮动去毛刺打磨头AF40产品特点
彩博888 1.可360°方向浮动5°,Z方向浮动5mm
彩博888 2.去毛刺过程中可吸收产品的形变量,自适应加工,有效的保护刀具,降低调试难度。
彩博888 3.可机器人夹持工具使用,也可将工具固定,机器人夹持工件进行去毛刺作业。
可推荐耗材:
彩博888 铣刀、旋转锉、锥度铣刀、钢丝刷、金钢石磨头、金钢石磨片、切割轮。
FT浮动去毛刺打磨头AF40产品参数
| 型号 | 浮动方式 | 浮动范围 | 浮动压力 | 动力形式 | 功率 | 电源 | 转速 | 扭矩 | 夹头 | 冷却方式 | 重量 |
AF40 | 360° | 360°±5°Z向5mm | 0.05-0.5Mpa | 电动 | 600w | 36v | 20000 | 0.6N·m | ER11 | 气冷 | 3.7Kg |
FT浮动去毛刺打磨头AF40产品尺寸

FT浮动去毛刺打磨头AF40产品展示



订购:FT浮动去毛刺刀柄AF40








1960544536 


