春亨产品中心
- 按产品特性分类
- 水平仪 偏心仪 角度计 直角尺 同心度仪 高速主轴 内外测卡规 打磨机 钻石膏 各种量表 磨刀石 研磨油石 切削刀具 研磨刷 研磨工具 磁性工具 放大镜 内视镜 卡尺 千分尺 圆周尺 扭力工具 针规 间隙规 速度测试 高度尺/计 测量工具 硬度计 段差尺 焊道规 V型座 磁性吸盘 推拉力计 吊重磁盘 工业胶粘剂 研磨抛光 钳类工具 旋具工具 热敏试纸 粘度计 电子称 金属锉刀 复制胶膜 螺帽规 背孔刀 气动主轴 自动换刀主轴 防静电主轴 国产电主轴 高精密主轴 大扭矩电主轴 高斯计 直角电主轴 进口百分表 扭力起子 中村扭力扳手 脱磁器 螺纹深度规 CNC增速刀柄 RBZ浮动主轴 中心出水电主轴
- 按应用领域分类
- 工程机械 数控机床 汽车制造 电子/光电 橡胶皮革检测 船舶制造 实验室/研究院 纺织业 精加工 雕刻 珠宝首饰 陶瓷工业 抛光去毛刺 PCB分板机加工 铣削加工 钻孔动力头 医疗加工 走心机高频铣 浮动去毛刺 小径深孔加工
- 按品牌分类
- AAA ASKER B2 BOWERS CITIZEN DMT FUJITOOL FISSO FUJIGEN HONDA GLOI HEINE KANETEC IMADA KANON KAYDIAMOND KROEPLIN MEYER MARUI MITUTOYO NAKANISHI PEACOCK PEAK PHOENIX PI-TAPE RSK RHEINTACHO SK SPI SUN SUPERTECH SWAN UNIVERSAL NOVAPAX XEBEC WIXEY Teclock tohnichi 富士KOSOKU RUBICON KEIBA TAJIMA NIKON Stanley SPI Engeering MARKAL PTC TMC THERMAX RION SHINKO STAO佐藤 TSUBOSAN OSKAR SCHWENK MARK-10 Microset starrett EENPAIX OJIYAS DIGITECH ROECKLE tites swiss Yamato Cherry DAIWA RABIN MSIY NRS
相关资讯
- 铸铁件合模线打磨抛光,用RBZ径向浮动打磨主轴
- 专业进口工具代理商及售后服务商-春亨工具
- 春亨工具教您NAKANISHI高速主轴如何使用?
- 一文读懂日本NAKANISHI气动主轴与电动主轴的主要区别
- nakanishi主轴价格为什么那么贵?
- nakanish中西高频铣维修,找深圳春亨工具
- NAKANISHI高速主轴E3000系列
- 关于春亨工具售后服务技术支持
- 【扭力起子】春亨工具专业供应
- 多轴钻孔机加装多支小型气动主轴,提高钻孔效率
- 金属研磨抛光的步骤
- NAKANISHI增速头BT30锥柄主轴安装方法(视频)
- PEACOCK百分表种类-史上最全
- NAKANISHI电动打磨机EV410-230,玉石打磨抛光雕刻专用
- 交叉孔去毛刺之陶瓷纤维研磨刷
- 模具冷却孔自动化研磨,用锐必克XEBEC内深孔刷
- NAKANISHI主轴使用方法(NSK主轴)
- 进口量具,挑战全年最低价
- 斜面孔自动化去毛刺,选择日本锐必克背孔刀&程序
- 德国kroeplin数显外卡规L230,凹槽测量精密仪器
咨询热线:
18124698426
电话:18124698426
手机:彩博88818124698426
传真:彩博8880755-23033513
Q Q:
地址:深圳市宝安49区华创达文化科技产业园D栋313
产品详情
联系我们
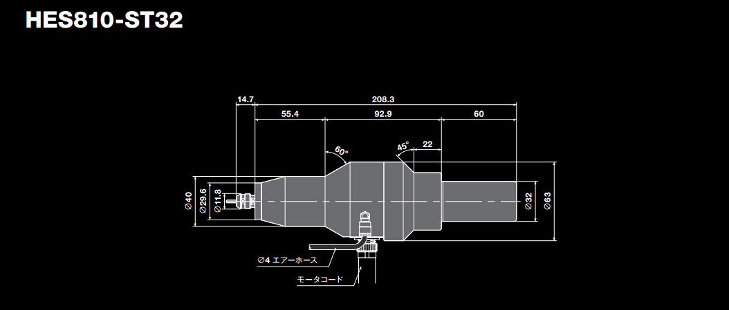
HES810高速主轴
产品特点:


HES810 - 采用超精密高速无碳刷式马达,使用R1mm以下的球形铣刀做高速切削加工,发挥精密加工之功效。
不使用中心加工机之主轴运转,每分鐘可达8万转之高速运转。
适用于BT、NT、HSK A63、ST之各种锥度。
使用HES810系列之专用控制器NE211(新产品)做驱动。
产品选型:







HES810主轴,NAKANISHI主轴
订购:HES810高速主轴








1960544536 


