春亨产品中心
- 按产品特性分类
- 水平仪 偏心仪 角度计 直角尺 同心度仪 高速主轴 内外测卡规 打磨机 钻石膏 各种量表 磨刀石 研磨油石 切削刀具 研磨刷 研磨工具 磁性工具 放大镜 内视镜 卡尺 千分尺 圆周尺 扭力工具 针规 间隙规 速度测试 高度尺/计 测量工具 硬度计 段差尺 焊道规 V型座 磁性吸盘 推拉力计 吊重磁盘 工业胶粘剂 研磨抛光 钳类工具 旋具工具 热敏试纸 粘度计 电子称 金属锉刀 复制胶膜 螺帽规 背孔刀 气动主轴 自动换刀主轴 防静电主轴 MSIY电主轴 高精密主轴 大扭矩电主轴 高斯计 直角电主轴 进口百分表 扭力起子 中村扭力扳手 脱磁器 螺纹深度规 主轴增速刀柄 RBZ浮动主轴 中心出水电主轴 气浮主轴 螺纹规
- 按应用领域分类
- 工程机械 数控机床 汽车制造 电子/光电 橡胶皮革检测 船舶制造 实验室/研究院 纺织业 精加工 雕刻 珠宝首饰 陶瓷工业 抛光去毛刺 PCB分板机加工 铣削加工 钻孔动力头 医疗加工 走心机高频铣 浮动去毛刺 小径深孔加工
- 按品牌分类
- AAA ASKER B2 BOWERS CITIZEN DMT FUJITOOL FISSO FUJIGEN HONDA GLOI HEINE KANETEC IMADA KANON KAYDIAMOND KROEPLIN MEYER MARUI MITUTOYO NAKANISHI PEACOCK PEAK PHOENIX PI-TAPE RSK RHEINTACHO SK SPI SUN SUPERTECH SWAN UNIVERSAL NOVAPAX XEBEC WIXEY Teclock tohnichi 富士KOSOKU RUBICON KEIBA TAJIMA NIKON Stanley SPI Engeering MARKAL PTC TMC THERMAX RION SHINKO STAO佐藤 TSUBOSAN OSKAR SCHWENK MARK-10 Microset starrett EENPAIX OJIYAS DIGITECH ROECKLE tites swiss Yamato Cherry DAIWA RABIN MSIY NRS PPS NSK
相关资讯
- 春亨工具加入新成员【teclock得乐】
- NAKANISHI控制器出现E7报警
- 春亨工具展示:MSIY浮动主轴一套包含哪些产品?
- CNC加工中心铣削动力头HES510系列应用案例
- 斯大走心机加装高频铣,实现小径刀具内通槽铣削
- 进口磁性表座怎么选?春亨工具透露一个省钱的秘籍
- 日本中西新款中心出水主轴CTS-3030,性价比超高
- 排刀机钻端面5mm孔,加装MSIY-40大扭矩电主轴
- 水平仪使用注意事项
- 日本NAKANISHI高精密主轴在半导体行业的应用
- 中西nakanishi超精密电动研磨机标准套装EV410-230
- 陶瓷纤维钻孔,用400W电主轴msiy-4030
- 今日之行,触目见琳琅珠玉----孔雀量表
- 走心机侧铣1.5mm圆弧槽,加装NAKANISHI高频铣
- KANON空转式扭力起子
- MISY浮动主轴,钢件、铝合金等材质均可使用
- nakanishi一体式主轴EMS-3060K,精密铣削雕刻必备
- 这款高颜值的超声波研磨机Sheennus ZERO究竟值不值得买?
- 曲面/弧面打磨抛光,用nakanishi砂带打磨机KBS-101
- 德国进口卡规产品特点及运用领域
咨询热线:
13612997620
传真:0755-23033513
Q Q:
地址:深圳市宝安49区华创达文化科技产业园D栋507
产品详情
联系我们
KEC-40ARE日本强力电磁吸盘
电磁吸盘特性:

相对机械装夹薄的工件,容易导致工件扭曲变形来说,圆环形KEC-40ARE电磁吸盘在高精确的加工更能提供一致吸引力来固定工件.
在重切削工件时,星形KEC-32ASE能提供强大的磁力来固定工件.
【产品应用】
吸盘安装在旋转磨床,车床,旋转式铣床上,适合研磨和切削工序;这种吸盘有两种型号;在选择型号时,主要是根据表盘上是何种加工工序来决定;圆环形应用在研磨工序上,星形应用在切削工序上.
电磁吸盘参数:

【环形规格】

【星形规格】

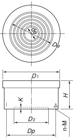
【圆环形尺寸图】 【星形尺寸图】

KEC磁性吸盘,日本强力磁性吸盘,进口磁性吸盘
订购:KEC-40ARE日本强力电磁吸盘








1960544536 


