春亨产品中心
- 按产品特性分类
- 水平仪 偏心仪 角度计 直角尺 同心度仪 高速主轴 内外卡规 打磨机 钻石膏 各种量表 磨刀石 研磨砂轮油石 切削刀具 研磨刷 研磨工具 磁性工具 放大镜 内视镜 卡尺 千分尺 圆周尺 扭力工具 针规 间隙规 速度测试 高度尺/计 测量工具 硬度计 段差尺 焊道规 V型座 磁性吸盘 力度测量 吊重磁盘 工业胶粘剂 研磨抛光 钳类工具 旋具工具 热敏试纸 粘度计 电子天平 金属锉刀 复制胶膜
- 按应用领域分类
- 工程机械 数控机床 汽车制造 电子/光电 塑胶皮革制品 船舶制造 实验室/研究院 纺织业 精加工 雕刻 珠宝首饰 陶瓷工业 抛光去毛刺 PCB分板机加工 铣削加工 钻孔加工 医疗加工 数控车床主轴
- 按品牌分类
- AAA ASKER B2 BOWERS CITIZEN DMT FUJITOOL FISSO FUJIGEN HONDA GLOI HEINE KANETEC IMADA KANON KAYDIAMOND KROEPLIN MEYER MARUI MITUTOYO NAKANISHI PEACOCK PEAK PHOENIX PI-TAPE RSK RHEINTACHO SK SPI SUN SUPERTECH SWAN UNIVERSAL NOVAPAX XEBEC WIXEY Teclock tohnichi 富士KOSOKU RUBICON KEIBA TAJIMA NIKON Stanley SPI Engeering MARKAL PTC TMC THERMAX RION SHINKO STAO佐藤 TSUBOSAN OSKAR SCHWENK MARK-10 Microset starrett EENPAIX OJIYAS
相关资讯
- 正确使用日本孔雀杠杆百分表10项具体步骤
- 橡胶硬度计购买须知
- RSK水平仪如何校准?
- 进口磁性表座--春亨工具一级供应
- ASKER橡胶硬度计的使用说明
- 进口喷雾罐专用卡规——德国KROEPLIN
- 日本NSK高速主轴使用注意事项及保养要点
- 2021深圳工业展:30多个国家、2000家企业参展
- RSK水平仪零位如何调整
- 高精度水平仪--日本RSK新泻理研
- 日本SK数显水平仪,快读提高机床校准效率
- 蕴含大作用的打磨工具运用——NSK电动打磨机
- 高精密杠杠千分表,首选PEACOCK孔雀PCN-S
- NAKANISH高速主轴马达EM-3030T型号变更
- NAKANISHI电动打磨机ESPERT500
- 世界著名卡规品牌——德国KROEPLIN
- 日本中村KANON扭力扳手调节轮改进
- RSK方形水平仪使用方法
- PEACOCK定寸表,让测量更简单
- 日本NSK自动换刀主轴NR-3060AQC内孔去毛刺(视频)
咨询热线:
彩博888 0755-29695109
电话:0755-29695109
手机:18923426022
传真:0755-23033513
Q Q:
地址:彩博888深圳市宝安49区华创达文化科技产业园D栋313
产品详情
联系我们
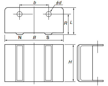
KF-5B日本强力KANETEC铁板分离器
产品特性:

磁极面上的两根铁条保证了高度的分离能力.
除了能分离钢板外,同时使用几个分离器一样可以分离冲压好形的的、圆、不规则的工件.
高性能磁石的采用,很轻易的固定在机器上;成套的两个分离器的钢板的大小、形状、重量都是一致的.
一套包含两个分离器.
【产品应用】
把钢板一块一块分开,应用在钢板自动供给的生产线或者一块一块送进机床里加工等场合.
产品参数:



KF-5B铁板分离器,日本强力铁板分离器
订购:KF-5B日本强力KANETEC铁板分离器








1960544536 


