春亨产品中心
- 按产品特性分类
- 水平仪 偏心仪 角度计 直角尺 同心度仪 高速主轴 内外测卡规 打磨机 钻石膏 各种量表 磨刀石 研磨油石 切削刀具 研磨刷 研磨工具 磁性工具 放大镜 内视镜 卡尺 千分尺 圆周尺 扭力工具 针规 间隙规 速度测试 高度尺/计 测量工具 硬度计 段差尺 焊道规 V型座 磁性吸盘 推拉力计 吊重磁盘 工业胶粘剂 研磨抛光 钳类工具 旋具工具 热敏试纸 粘度计 电子称 金属锉刀 复制胶膜 螺帽规 背孔刀 气动主轴 自动换刀主轴 防静电主轴 MSIY电主轴 高精密主轴 大扭矩电主轴 高斯计 直角电主轴 进口百分表 扭力起子 中村扭力扳手 脱磁器 螺纹深度规 主轴增速刀柄 RBZ浮动主轴 中心出水电主轴 气浮主轴 螺纹规
- 按应用领域分类
- 工程机械 数控机床 汽车制造 电子/光电 橡胶皮革检测 船舶制造 实验室/研究院 纺织业 精加工 雕刻 珠宝首饰 陶瓷工业 抛光去毛刺 PCB分板机加工 铣削加工 钻孔动力头 医疗加工 走心机高频铣 浮动去毛刺 小径深孔加工
- 按品牌分类
- AAA ASKER B2 BOWERS CITIZEN DMT FUJITOOL FISSO FUJIGEN HONDA GLOI HEINE KANETEC IMADA KANON KAYDIAMOND KROEPLIN MEYER MARUI MITUTOYO NAKANISHI PEACOCK PEAK PHOENIX PI-TAPE RSK RHEINTACHO SK SPI SUN SUPERTECH SWAN UNIVERSAL NOVAPAX XEBEC WIXEY Teclock tohnichi 富士KOSOKU RUBICON KEIBA TAJIMA NIKON Stanley SPI Engeering MARKAL PTC TMC THERMAX RION SHINKO STAO佐藤 TSUBOSAN OSKAR SCHWENK MARK-10 Microset starrett EENPAIX OJIYAS DIGITECH ROECKLE tites swiss Yamato Cherry DAIWA RABIN MSIY NRS PPS NSK
相关资讯
- 齿轮倒角去毛刺,用NSK高速电主轴EMS-3060K
- 日本NAKANISHI浮动去毛刺主轴产品优势分析
- 我国连续7年成为世界上ZUI大的工业机器人应用市场
- 汽车塑料外壳铣削,用机械臂怎么加工?
- 孔雀杠杆表
- 日本RSK 水平仪有哪些优点?
- 出8套Msiy气动锉刀浮动,锌镁合金直角棱边去毛刺
- 如何正确使用美国PI Tape外径圆周尺?
- 日本RSK偏摆仪说明及使用注意事项
- 中西NAKANISHI气动主轴,精密加工,性价比高
- 深孔槽内去毛刺,用xebec弹性棒型圆盘研磨头
- 新春感恩大回馈-RSK磁性水平仪送福利
- 机械臂去披锋毛刺,为什么要选择MSIY-40浮动主轴?
- 走心机高精密侧铣加工,可加装哪些型号高频铣?
- 进口工具一站式供应商告知您百分表的正确使用方法,一学就会了
- NSK高速主轴为国产机床发展创造机遇
- 等离子切割机加工主轴,选择日本高速主轴RAS-151E
- 日本NKS高速主轴iSpeed3系列
- 液态硅胶合模线,机械臂加装MSIY浮动主轴去除
- 日本孔雀peacock管壁测厚规
咨询热线:
彩博888 13612997620
传真:彩博8880755-23033513
Q Q:
地址:彩博888深圳市宝安49区华创达文化科技产业园D栋507
产品详情
联系我们
机器人浮动打磨头 RBZ-30浮动电主轴

RBZ-30浮动打磨头,适合加装直径30mm的高速主轴,气动主轴和电动主轴都可以加装 ,常与NAKANISHI高速主轴搭配组成浮动主轴,实现360°径向浮动和8mm轴向浮动,重量轻,只有2Kg。
RBZ-30浮动电主轴产品特点

彩博888 1.刀具与工件是柔性接触,可防止过切或切不到现象;
2.浮动力可通过气压进行调节;
3.浮动回零位精度高;
彩博888 4.通过调整浮动力,可以同时去除很小的毛刺和比较小水口部;
5.重量轻,很适合加装在7-10kg机器人上,进行自动化去毛刺;
6.压铸件:铁件、钢件、铝件,倒角,去毛刺、合模线;
7.可搭配加工工具:旋转锉、立铣刀、钢丝刷、金刚石磨头、锥度铣刀。
RBZ-30浮动电主轴产品参数
型号:RBZ-30
浮动方式:360°
彩博888 浮动范围:360°径向±5°轴向5mm
浮动压力:0.05-0.5Mpa
动力形式:气动
功率:350w
彩博888 电源:240V
转速:30000
扭矩:0.18N.m
彩博888 夹头:0.5-6.0
彩博888 冷却方式:气冷
重量:2Kg
RBZ-30浮动电主轴浮动方式

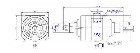
RBZ-30浮动电主轴产品尺寸

彩博888 订购:RBZ-30浮动主轴








1960544536