春亨产品中心
- 按产品特性分类
- 水平仪 偏心仪 角度计 直角尺 同心度仪 高速主轴 内外测卡规 打磨机 钻石膏 各种量表 磨刀石 研磨油石 切削刀具 研磨刷 研磨工具 磁性工具 放大镜 内视镜 卡尺 千分尺 圆周尺 扭力工具 针规 间隙规 速度测试 高度尺/计 测量工具 硬度计 段差尺 焊道规 V型座 磁性吸盘 推拉力计 吊重磁盘 工业胶粘剂 研磨抛光 钳类工具 旋具工具 热敏试纸 粘度计 电子称 金属锉刀 复制胶膜 螺帽规 背孔刀 气动主轴 自动换刀主轴 防静电主轴 MSIY电主轴 高精密主轴 大扭矩电主轴 高斯计 直角电主轴 进口百分表 扭力起子 中村扭力扳手 脱磁器 螺纹深度规 主轴增速刀柄 RBZ浮动主轴 中心出水电主轴 气浮主轴 螺纹规
- 按应用领域分类
- 工程机械 数控机床 汽车制造 电子/光电 橡胶皮革检测 船舶制造 实验室/研究院 纺织业 精加工 雕刻 珠宝首饰 陶瓷工业 抛光去毛刺 PCB分板机加工 铣削加工 钻孔动力头 医疗加工 走心机高频铣 浮动去毛刺 小径深孔加工
- 按品牌分类
- AAA ASKER B2 BOWERS CITIZEN DMT FUJITOOL FISSO FUJIGEN HONDA GLOI HEINE KANETEC IMADA KANON KAYDIAMOND KROEPLIN MEYER MARUI MITUTOYO NAKANISHI PEACOCK PEAK PHOENIX PI-TAPE RSK RHEINTACHO SK SPI SUN SUPERTECH SWAN UNIVERSAL NOVAPAX XEBEC WIXEY Teclock tohnichi 富士KOSOKU RUBICON KEIBA TAJIMA NIKON Stanley SPI Engeering MARKAL PTC TMC THERMAX RION SHINKO STAO佐藤 TSUBOSAN OSKAR SCHWENK MARK-10 Microset starrett EENPAIX OJIYAS DIGITECH ROECKLE tites swiss Yamato Cherry DAIWA RABIN MSIY NRS PPS NSK
相关资讯
- EM25-5000-J4和EM25N-5000-J4有什么区别?
- 汽车轮毂去毛刺,用自动换刀主轴NR3060-AQC
- NAKANISHI高频铣BM-322FL,津上、斯大走心机均可使用
- 一款15万转的气动增速刀柄,加工中心/铣床可加装
- PCB板切割如何选择合适的刀具?
- 碳钢钻孔用什么主轴好?NAKANISHI大扭矩电主轴BMS-4020
- RSK水平仪
- 不锈钢钻0.5X6mm的小孔,nsk中心出水主轴
- 日本ASKER橡胶硬度测试台有哪几种类型?
- NAKANISHI往复式打磨头LS-100,适用于窄缝处打磨
- 日本迪吉泰特Digitech按键触感曲线试验机Tec-01F
- 进口水平仪,当然选择日RSK品牌
- RSK偏心仪检查器常用规格型号有哪些?
- 介绍一款新的扭矩测试仪,日本思达Torque tester NDI-800CN
- 高速数控技术应用及未来发展趋势研究
- Peacock孔雀数显厚度计G2N-255,精度0.001mm
- 日本peacock盲孔测缸规快速测量盲孔直径
- 聚焦两会,十年进口工具代理商,为中国制造业加速
- 德国进口内卡规相对于其他孔类检测量具的优势
- 排刀机端面插芯研磨,加装nsk电主轴EMS-3060K
咨询热线:
彩博888 13612997620
传真:彩博8880755-23033513
Q Q:
地址:深圳市宝安49区华创达文化科技产业园D栋507
产品详情
联系我们
得乐TECLOCK微型橡胶硬度计GS-779G

是一款简单的微型橡胶硬度计,专用于测量橡胶薄片的硬度。据了解,标准型硬度计的测头高度是2.5mm,这一款的高度为1mm,特别适合橡胶薄片的测量。
彩博888 微型橡胶硬度计GS-779G参照日本得乐TECLOCK工厂标准,测量值与用A型硬度计测量相似,重量轻,只有125g,方便携带保存,尤其适合测量比较薄的橡胶薄片、垫圈等硬度。
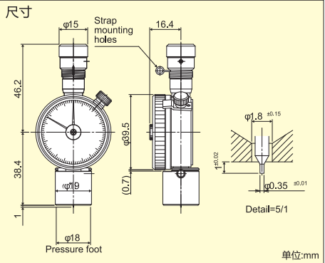
微型橡胶硬度计GS-779G尺寸

微型橡胶硬度计GS-779G规格参数
| 型号 | 类型 | 标准荷重值 | 测头形状 | 测头高度 | 重量 |
| GS-779G | 接近A型 | 338-1288mN | φ0.35mm | 1mm | 125g |
得乐硬度计,微型硬度计,橡胶硬度计,邵氏硬度计
订购:得乐微型橡胶硬度计GS-779G








1960544536 


