春亨产品中心
- 按产品特性分类
- 水平仪 偏心仪 角度计 直角尺 同心度仪 高速主轴 内外测卡规 打磨机 钻石膏 各种量表 磨刀石 研磨油石 切削刀具 研磨刷 研磨工具 磁性工具 放大镜 内视镜 卡尺 千分尺 圆周尺 扭力工具 针规 间隙规 速度测试 高度尺/计 测量工具 硬度计 段差尺 焊道规 V型座 磁性吸盘 推拉力计 吊重磁盘 工业胶粘剂 研磨抛光 钳类工具 旋具工具 热敏试纸 粘度计 电子称 金属锉刀 复制胶膜 螺帽规 背孔刀 气动主轴 自动换刀主轴 防静电主轴 MSIY电主轴 高精密主轴 大扭矩电主轴 高斯计 直角电主轴 进口百分表 扭力起子 中村扭力扳手 脱磁器 螺纹深度规 主轴增速刀柄 RBZ浮动主轴 中心出水电主轴 气浮主轴 螺纹规
- 按应用领域分类
- 工程机械 数控机床 汽车制造 电子/光电 橡胶皮革检测 船舶制造 实验室/研究院 纺织业 精加工 雕刻 珠宝首饰 陶瓷工业 抛光去毛刺 PCB分板机加工 铣削加工 钻孔动力头 医疗加工 走心机高频铣 浮动去毛刺 小径深孔加工
- 按品牌分类
- AAA ASKER B2 BOWERS CITIZEN DMT FUJITOOL FISSO FUJIGEN HONDA GLOI HEINE KANETEC IMADA KANON KAYDIAMOND KROEPLIN MEYER MARUI MITUTOYO NAKANISHI PEACOCK PEAK PHOENIX PI-TAPE RSK RHEINTACHO SK SPI SUN SUPERTECH SWAN UNIVERSAL NOVAPAX XEBEC WIXEY Teclock tohnichi 富士KOSOKU RUBICON KEIBA TAJIMA NIKON Stanley SPI Engeering MARKAL PTC TMC THERMAX RION SHINKO STAO佐藤 TSUBOSAN OSKAR SCHWENK MARK-10 Microset starrett EENPAIX OJIYAS DIGITECH ROECKLE tites swiss Yamato Cherry DAIWA RABIN MSIY NRS PPS NSK
相关资讯
- 专业进口工量具售后服务商春亨工具
- 内沟槽测量,KROEPLIN内卡规完美配合
- 【新品资讯】PEACOCK孔雀新产品
- Fine-techno浮动刀柄AF10,去除软砂芯毛刺不过切
- Peak材质去毛刺,机械臂加装MSIY-30浮动主轴
- 硅胶合模线用MSIY-40浮动主轴,表面质量好
- 进口扭力扳手,选择春亨工具
- 走心机钻微小斜孔?加装高频铣一拖二就可以
- 出2套msiy浮动主轴,工业机器人打磨抛光去毛刺
- RSK水平尺机床设备校准好帮手
- 铝合金钻孔用NAKANISHI大扭矩电主轴BMS-4020
- NAKANISHI高速主轴,让智能切割更简单
- 镁合金去毛刺用什么浮动主轴好?
- MSIY-62大扭矩电主轴,功率500W,扭矩1.5N.m
- RSK水平仪快速校准机床工作台水平
- 高精度的设备为什么要选用进口水平仪
- NR-2351微型电主轴适用于哪些机床使用呢?
- NAKANISHI主轴马达EM25-5000-J4和EM25N-5000-J4区别
- 人工接骨螺钉铣梅花,只需在走心机背轴加装高频铣
- 野村20UB8K走心机主轴加装高频铣,选BM-322
咨询热线:
13612997620
传真:彩博8880755-23033513
Q Q:
地址:深圳市宝安49区华创达文化科技产业园D栋507
产品详情
联系我们
西铁城Citizen杠杆式标准电子比测探针

Citizen杠杆式标准电子比测探针特点
(1) 可以选择最低0.0196N测定压力,有标准型和万向型两类;
(2)杠杆式电子比测探针可以准确测量各种测量对象;
(3)通用型(杠杆型)电子比测探针的杠杆轴承机构具有在承受大载荷和变化时不易断裂的优点。此外,由于测量方向可以自由改变,因此无论指定位置如何,都无需担心损坏或更改被测对象。
Citizen杠杆式标准电子比测探针用途
用于高精度测量、在测定范围内可以快速检测判定是否合格,特别适合组装在机器上,由于尺寸小不占空间,适用于小型化精细化的产线。(型号中有U的为万向型)
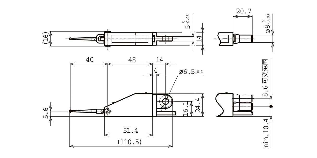
Citizen杠杆式标准电子比测探针产品尺寸

Citizen杠杆式标准电子比测探针规则及型号
| 类别 | 杠杆类型 | |||||
| 标准型 | 万向型 | |||||
| 型号 | DTH-L02 | DTH-L08 | DTH-L15 | DTH-L02U | DTH-L08U | DTH-L15U |
| 测定力 | 0.0196N | 0.0785N | 0.147N | 0.0196N | 0.0785N | 0.147N |
| 测量范围 | 1.5mm | |||||
| 测量行程 | ±0.5mm | |||||
| 零点位置 | 约0.5mm | |||||
| 重复精度 | 0.3μm | |||||
| 测头摩擦力 | 1.47N以上 | |||||
| 保证精度温度范围 | 24℃±5℃ | |||||
| 使用温度范围 | 0~50℃ | |||||
| 电源线 | 3m | |||||
| 测头 | F-138 | F-18 | ||||
比测探针 Citizen比测探针
订购:杠杆式标准电子比测探针
跟此产品相关的产品








1960544536