春亨产品中心
- 按产品特性分类
- 水平仪 偏心仪 角度计 直角尺 同心度仪 高速主轴 内外测卡规 打磨机 钻石膏 各种量表 磨刀石 研磨油石 切削刀具 研磨刷 研磨工具 磁性工具 放大镜 内视镜 卡尺 千分尺 圆周尺 扭力工具 针规 间隙规 速度测试 高度尺/计 测量工具 硬度计 段差尺 焊道规 V型座 磁性吸盘 推拉力计 吊重磁盘 工业胶粘剂 研磨抛光 钳类工具 旋具工具 热敏试纸 粘度计 电子称 金属锉刀 复制胶膜 螺帽规 背孔刀 气动主轴 自动换刀主轴 防静电主轴 MSIY电主轴 高精密主轴 大扭矩电主轴 高斯计 直角电主轴 进口百分表 扭力起子 中村扭力扳手 脱磁器 螺纹深度规 主轴增速刀柄 RBZ浮动主轴 中心出水电主轴 气浮主轴 螺纹规
- 按应用领域分类
- 工程机械 数控机床 汽车制造 电子/光电 橡胶皮革检测 船舶制造 实验室/研究院 纺织业 精加工 雕刻 珠宝首饰 陶瓷工业 抛光去毛刺 PCB分板机加工 铣削加工 钻孔动力头 医疗加工 走心机高频铣 浮动去毛刺 小径深孔加工
- 按品牌分类
- AAA ASKER B2 BOWERS CITIZEN DMT FUJITOOL FISSO FUJIGEN HONDA GLOI HEINE KANETEC IMADA KANON KAYDIAMOND KROEPLIN MEYER MARUI MITUTOYO NAKANISHI PEACOCK PEAK PHOENIX PI-TAPE RSK RHEINTACHO SK SPI SUN SUPERTECH SWAN UNIVERSAL NOVAPAX XEBEC WIXEY Teclock tohnichi 富士KOSOKU RUBICON KEIBA TAJIMA NIKON Stanley SPI Engeering MARKAL PTC TMC THERMAX RION SHINKO STAO佐藤 TSUBOSAN OSKAR SCHWENK MARK-10 Microset starrett EENPAIX OJIYAS DIGITECH ROECKLE tites swiss Yamato Cherry DAIWA RABIN MSIY NRS PPS NSK
相关资讯
- 压铸铝浇筑口2.5mm毛刺,用RBZ-30浮动电主轴
- 美国PPS手指触感指套:科技引领触感新纪元
- 日本NAKANISHI自动换刀主轴NR50-5100ATC如何换刀?
- 厉害了!我的高速主轴
- 数显卡规选择德国kroeplin,让您的测量更精密更快捷!
- AF30浮动主轴可实现360°全方位铝铸件去毛刺加工
- NAKANISHI钻孔动力头NR-3060S钻孔应用案例
- 新能源汽车零部件内孔去毛刺,用MSIY直角浮动主轴
- 一文懂硬度计的8大种类,您需要哪一种?
- 日本NAKANISHI气动主轴,钻微孔有优势
- 快速换刀高速电主轴NRR-3060和NRR3060-QC的区别
- NAKANISHI高刚性一体式电主轴BMS-4040RA-RGD
- 普通机床安装水平调整方法
- 日本NSK自动换刀主轴,快速去除汽车汽缸盖毛刺
- 津上走心机可以加装气动高频铣吗
- NAKANSIHI高速电主轴在内圆/精磨领域应用
- PCB板切割分板,常用NAKANISHI高速电主轴切割
- CNC加工中心加装NSK高频铣用于梅花槽铣削加工实例
- RSK水平仪--调试机床设备最佳产品
- CNC加工中心去刀纹刷,用xebec锐必克表面刷(视频)
咨询热线:
13612997620
传真:彩博8880755-23033513
Q Q:
地址:彩博888深圳市宝安49区华创达文化科技产业园D栋507
产品详情
联系我们
日本强力KANETEC桌上型脱磁器KMD-K1
彩博888日本强力KANETEC桌上型脱磁器KMD-K1,有效脱磁宽度280mm,通过交流电源,在表面上产生交变磁场,然后让工件通过这个磁场,以除去工件表面的残留电磁。
kanetec桌上型脱磁器KMD-K1的特点
彩博888强烈磁场交变的退磁核心,对一般传统脱磁机而言,对于比较难脱磁的材料可以发挥更好的效果。
kanetec桌上型脱磁器KMD-K1产品参数
型号:KMD-K1
电源:单相 AC200V 50/60HZ
彩博888电源容量:4.8、4.0KVA (24A/20A)50/60HZ
使用率:100%ED
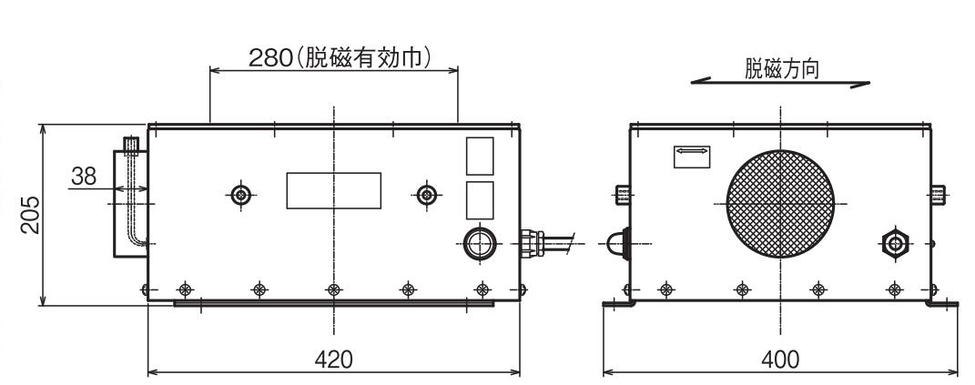
彩博888有效脱磁宽:280mm
彩博888尺寸:长420mmx宽400mmx高205mm
kanetec桌上型脱磁器KMD-K1产品尺寸

强力脱磁器 桌上型脱磁器 KMD-K1退磁器 kanetec
订购:kanetec桌上型脱磁器KMD-K1
跟此产品相关的产品








1960544536