春亨产品中心
- 按产品特性分类
- 水平仪 偏心仪 角度计 直角尺 同心度仪 高速主轴 内外测卡规 打磨机 钻石膏 各种量表 磨刀石 研磨油石 切削刀具 研磨刷 研磨工具 磁性工具 放大镜 内视镜 卡尺 千分尺 圆周尺 扭力工具 针规 间隙规 速度测试 高度尺/计 测量工具 硬度计 段差尺 焊道规 V型座 磁性吸盘 推拉力计 吊重磁盘 工业胶粘剂 研磨抛光 钳类工具 旋具工具 热敏试纸 粘度计 电子称 金属锉刀 复制胶膜 螺帽规 背孔刀 气动主轴 自动换刀主轴 防静电主轴 MSIY电主轴 高精密主轴 大扭矩电主轴 高斯计 直角电主轴 进口百分表 扭力起子 中村扭力扳手 脱磁器 螺纹深度规 主轴增速刀柄 RBZ浮动主轴 中心出水电主轴 气浮主轴 螺纹规
- 按应用领域分类
- 工程机械 数控机床 汽车制造 电子/光电 橡胶皮革检测 船舶制造 实验室/研究院 纺织业 精加工 雕刻 珠宝首饰 陶瓷工业 抛光去毛刺 PCB分板机加工 铣削加工 钻孔动力头 医疗加工 走心机高频铣 浮动去毛刺 小径深孔加工
- 按品牌分类
- AAA ASKER B2 BOWERS CITIZEN DMT FUJITOOL FISSO FUJIGEN HONDA GLOI HEINE KANETEC IMADA KANON KAYDIAMOND KROEPLIN MEYER MARUI MITUTOYO NAKANISHI PEACOCK PEAK PHOENIX PI-TAPE RSK RHEINTACHO SK SPI SUN SUPERTECH SWAN UNIVERSAL NOVAPAX XEBEC WIXEY Teclock tohnichi 富士KOSOKU RUBICON KEIBA TAJIMA NIKON Stanley SPI Engeering MARKAL PTC TMC THERMAX RION SHINKO STAO佐藤 TSUBOSAN OSKAR SCHWENK MARK-10 Microset starrett EENPAIX OJIYAS DIGITECH ROECKLE tites swiss Yamato Cherry DAIWA RABIN MSIY NRS PPS NSK
相关资讯
- 勿让轮廓倒角阻碍效率提升-FUJIGEN倒角刀
- 日本本多HONDA超声波切割刀最大可切割厚度多少?
- 进口橡胶硬度计哪个牌子好?选日本得乐还是ASKER?
- 日本得乐全自动橡胶硬度计GX-700
- 细数日本NAKANISHI电动打磨机的三大应用
- 津上走心机BO205加装高频铣BM-320,转速高达8万转
- 【进口水平尺】选对了,用户才会满意而笑
- 如何确保日本NSK高速主轴旋转下的跳转精度达到1μm?
- 春亨 工具与您相约广东国际机器人及智能装备展览会
- NAKANISHI高速主轴,‘’高‘’的不只是转速
- 排刀机加装msiy-3316电主轴,秒变高端机床
- 中西nakanishi往复式电动打磨机有那几款?
- 高速就是效益——NSK高速主轴
- NAKANISHI浮动电主轴,机器人打磨抛光必备动力头
- 带表卡尺指针不稳定修理方法,再也不用自己掏钱维修啦
- 镁合金直角部位去毛刺,用MSIY浮动刀柄+气动锉刀
- 日本NSK高速主轴引领自动化鞋底打磨应用潮流
- 用上这样的测厚规,生产会越来越好
- 铝合金钻孔用日本NAKANISHI大扭矩主轴BMS-4020
- NR50-5100ATC自动换刀主轴的安装使用指南
咨询热线:
13612997620
传真:0755-23033513
Q Q:
地址:深圳市宝安49区华创达文化科技产业园D栋507
产品详情
联系我们
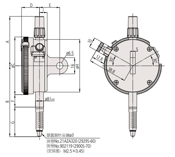
日本三丰指针式百分表2929S-60

彩博888 日本三丰指针式百分表2929S-60,2系列标准单转型、无误度、防水型,防震机构,对于因冲击造成的测杆突然缩回而引起的震动,具有良好的耐冲击性,该系列已消除了因指针转速的计算错误而导致的读数误差,指针单转有效避免了多转导致误读的可能。
三丰百分表2929S-60产品特点
彩博888 1.防震机构,对于因冲击造成的测杆突然缩回而引起的震动,具有良好的耐冲击性;
2.该系列已消除了因指针转速的计算错误而导致的读数误差;
彩博888 3.所有型号都有限值爪和锁紧装置;
彩博888 4.锁紧装置和测杆提升杆(选件)可装在左侧或右侧,这些零件可轻易组装而不需要借助工具;
彩博888 5.高强度淬火不锈钢心轴,适于高强度测量;
彩博888 6.表蒙采用加硬图层具有良好的高度防划和耐化学腐蚀性能;
7.红色的区域表示“精度无法保证”。
三丰百分表2929S-60产品尺寸


三丰百分表2929S-60产品参数

订购:mitutoyo防水百分表2929S-60








1960544536