彩博888

欢迎来到深圳市春亨工具仪器有限公司

进口加工测量工具综合供应商

16年经验总代理 | 品牌正规授权 | 专业售后支持

全国服务热线:

13612997620
13923746165

春亨产品中心

按产品特性分类
水平仪 偏心仪 角度计 直角尺 同心度仪 高速主轴 内外测卡规 打磨机 钻石膏 各种量表 磨刀石 研磨油石 切削刀具 研磨刷 研磨工具 磁性工具 放大镜 内视镜 卡尺 千分尺 圆周尺 扭力工具 针规 间隙规 速度测试 高度尺/计 测量工具 硬度计 段差尺 焊道规 V型座 磁性吸盘 推拉力计 吊重磁盘 工业胶粘剂 研磨抛光 钳类工具 旋具工具 热敏试纸 粘度计 电子称 金属锉刀 复制胶膜 螺帽规 背孔刀 气动主轴 自动换刀主轴 防静电主轴 MSIY电主轴 高精密主轴 大扭矩电主轴 高斯计 直角电主轴 进口百分表 扭力起子 中村扭力扳手 脱磁器 螺纹深度规 主轴增速刀柄 RBZ浮动主轴 中心出水电主轴 气浮主轴 螺纹规
按应用领域分类
工程机械 数控机床 汽车制造 电子/光电 橡胶皮革检测 船舶制造 实验室/研究院 纺织业 精加工 雕刻 珠宝首饰 陶瓷工业 抛光去毛刺 PCB分板机加工 铣削加工 钻孔动力头 医疗加工 走心机高频铣 浮动去毛刺 小径深孔加工
按品牌分类
AAA ASKER B2 BOWERS CITIZEN DMT FUJITOOL FISSO FUJIGEN HONDA GLOI HEINE KANETEC IMADA KANON KAYDIAMOND KROEPLIN MEYER MARUI MITUTOYO NAKANISHI PEACOCK PEAK PHOENIX PI-TAPE RSK RHEINTACHO SK SPI SUN SUPERTECH SWAN UNIVERSAL NOVAPAX XEBEC WIXEY Teclock tohnichi 富士KOSOKU RUBICON KEIBA TAJIMA NIKON Stanley SPI Engeering MARKAL PTC TMC THERMAX RION SHINKO STAO佐藤 TSUBOSAN OSKAR SCHWENK MARK-10 Microset starrett EENPAIX OJIYAS DIGITECH ROECKLE tites swiss Yamato Cherry DAIWA RABIN MSIY NRS PPS NSK

相关资讯

咨询热线:

13612997620

传真:彩博8880755-23033513

Q Q:

地址:深圳市宝安49区华创达文化科技产业园D栋507

prevnext

mitutoyo数显百分表543-781

  • 三丰mitutoyo数显百分表543-781,测量范围12.7mm,分辨力0.01mm,是一款功能简捷的低成本型百分表,防水等级IP42级。电池使用寿命2000小时,测定压力1.5N以下。
  • 咨询热线:0755-29695109
  • 产品详情

  • 联系我们

    三丰mitutoyo数显百分表543-781


    三丰数显百分表.jpg


    彩博888三丰mitutoyo数显百分表543-781,测量范围12.7mm,分辨力0.01mm,是一款功能简捷的低成本型百分表,防水等级IP42级。电池使用寿命2000小时,测定压力1.5N以下。


    三丰数显百分表产品特点


    (1)功能简单,使用方便快捷,成本低。

    彩博888(2)分辨力0.01mm,防水防尘等级PI42级。

    (3)采用三丰特有的ABS传感器,及时在关闭电源的情况下也能恢复到原点。

    (4)液晶显示为9mm字符高度的“大文字”易读取。

    彩博888(5)配有数据输出端口,使其能连入测量网络系统和统计过程控制系统。


    三丰数显指示表型号及参数


    货号型号测量范围分辨力            精度后盖型测力防水防尘保护等级
    543-790ID-S112X12.7mm


    0.001mm

    全量程精度

    0.003mm

    回程误差

    0.002mm

    重复精度

    0.002mm

    带耳后盖1.5N以下IP42
    543-790BID-S112XB平行后盖
    543-794ID-S112PX


    0.001mm

    0.003mm0.002mm0.002mm带耳后盖2.5N以下IP53
    543-794BID-S112PXB平行后盖
    543-781ID-S1012X


    0.01mm

    0.02mm0.02mm0.01mm带耳后盖1.5N以下IP42
    543-781BID-S1012XB平型后盖


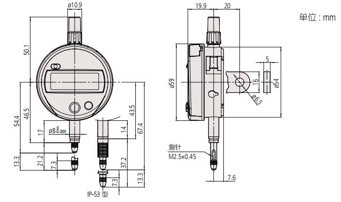
    三丰数显指示表产品尺寸



    三丰数显百分表尺寸.jpg



    数显百分表 数显指示表 mitutoyo百分表

    订购:mitutoyo数显百分表543-781

    联系我们 CONTACT US

    彩博888深圳市春亨工具仪器有限公司

    彩博888公司地址:深圳市宝安49区华创达文化科技产业园D栋507

    • 13923746165
    • tianguoxiu@prosperoustooling.com.cn

    关注我们QR CODE

    手机扫一扫

    返回顶部