春亨产品中心
- 按产品特性分类
- 水平仪 偏心仪 角度计 直角尺 同心度仪 高速主轴 内外测卡规 打磨机 钻石膏 各种量表 磨刀石 研磨油石 切削刀具 研磨刷 研磨工具 磁性工具 放大镜 内视镜 卡尺 千分尺 圆周尺 扭力工具 针规 间隙规 速度测试 高度尺/计 测量工具 硬度计 段差尺 焊道规 V型座 磁性吸盘 推拉力计 吊重磁盘 工业胶粘剂 研磨抛光 钳类工具 旋具工具 热敏试纸 粘度计 电子称 金属锉刀 复制胶膜 螺帽规 背孔刀 气动主轴 自动换刀主轴 防静电主轴 MSIY电主轴 高精密主轴 大扭矩电主轴 高斯计 直角电主轴 进口百分表 扭力起子 中村扭力扳手 脱磁器 螺纹深度规 主轴增速刀柄 RBZ浮动主轴 中心出水电主轴 气浮主轴 螺纹规
- 按应用领域分类
- 工程机械 数控机床 汽车制造 电子/光电 橡胶皮革检测 船舶制造 实验室/研究院 纺织业 精加工 雕刻 珠宝首饰 陶瓷工业 抛光去毛刺 PCB分板机加工 铣削加工 钻孔动力头 医疗加工 走心机高频铣 浮动去毛刺 小径深孔加工
- 按品牌分类
- AAA ASKER B2 BOWERS CITIZEN DMT FUJITOOL FISSO FUJIGEN HONDA GLOI HEINE KANETEC IMADA KANON KAYDIAMOND KROEPLIN MEYER MARUI MITUTOYO NAKANISHI PEACOCK PEAK PHOENIX PI-TAPE RSK RHEINTACHO SK SPI SUN SUPERTECH SWAN UNIVERSAL NOVAPAX XEBEC WIXEY Teclock tohnichi 富士KOSOKU RUBICON KEIBA TAJIMA NIKON Stanley SPI Engeering MARKAL PTC TMC THERMAX RION SHINKO STAO佐藤 TSUBOSAN OSKAR SCHWENK MARK-10 Microset starrett EENPAIX OJIYAS DIGITECH ROECKLE tites swiss Yamato Cherry DAIWA RABIN MSIY NRS PPS NSK
相关资讯
- 铝合金大余量铣削,用MSI高刚性电主轴
- NAKANISHI高频铣BM-322FL,津上、斯大走心机均可使用
- 走芯机为何要安装日本NAKANISHI高频铣
- NAKANISHI主轴,PCB基板加工之利器
- 铜件钻4个孔径不同的孔,加装msiy一拖四电主轴
- 进口孔距卡尺,日本中村KANON是您不二之选.
- 蕴含大作用的打磨工具运用——NSK电动打磨机
- 德国莱茵rheintacho可编程速度监视器有哪些优点?
- 十年磨砺,不忘初心-10年进口工量具代理商春亨工具
- E3000控制器P1故障怎么办?
- 铁削收集器,吸磁小能手
- NAKANISHI主轴高速机搭载事例
- PCB分板机主轴,选自动换刀主轴NR50-6000ATC-RS
- 西铁城走心机R02W加装大扭矩电主轴BMS-4020RA
- 德国roeckle铝合金条式水平仪,感度0.06mm/M
- 【扭力起子】春亨工具专业供应
- 日本强力脱磁器有哪几种类型,分别有哪些特点?
- 微型铣刀加工,转速不够,可加装NAKANISHI增速刀柄
- 浮动主轴如何高效去毛刺!
- 走心机钻不锈钢0.3mm小孔,加装高频铣就可以
咨询热线:
彩博888 13612997620
传真:0755-23033513
Q Q:
地址:深圳市宝安49区华创达文化科技产业园D栋507
产品详情
联系我们
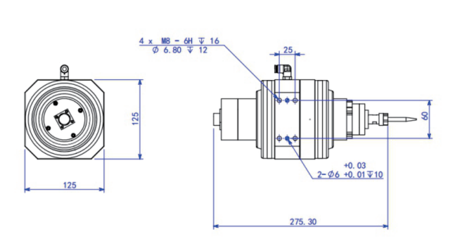
msiy-62浮动电主轴

彩博888msiy-62浮动电主轴,由外径62mm的电主轴+浮动刀柄组成,转速有7000转和8000转可选,功率500W,扭矩1.5N.m,旋转跳动精度5μm以内,可用于倒角、打磨、去毛刺等加工。
msiy-62浮动主轴参数
产品型号:6257-CQL11
主轴外径:φ62mm
主轴转速:500-5700rpm
跳动精度:5μm
夹头类型:ER16
输出功率:500W
重量:2.5kg
扭矩:1.5N.m
防水等级:IP64
冷却方式:水冷或气冷
msiy-62浮动电主轴特点

彩博888灵活转向:可360°方向浮动、Z方向浮动5mm。
智能自适:去毛刺过程中可吸收产品的形变量,自适应加工:有效保护刀具,降低调试难度。
大功率:可机器人夹持工具使用,也可将工具固定,机器人夹持工件去毛刺作业。
推荐使用耗材
立铣刀、旋转锉、锥度铣刀、钢丝刷、金刚石磨头等。
浮动主轴 打磨主轴 浮动打磨
订购:msiy-62浮动电主轴
跟此产品相关的产品








1960544536