春亨产品中心
- 按产品特性分类
- 水平仪 偏心仪 角度计 直角尺 同心度仪 高速主轴 内外测卡规 打磨机 钻石膏 各种量表 磨刀石 研磨油石 切削刀具 研磨刷 研磨工具 磁性工具 放大镜 内视镜 卡尺 千分尺 圆周尺 扭力工具 针规 间隙规 速度测试 高度尺/计 测量工具 硬度计 段差尺 焊道规 V型座 磁性吸盘 推拉力计 吊重磁盘 工业胶粘剂 研磨抛光 钳类工具 旋具工具 热敏试纸 粘度计 电子称 金属锉刀 复制胶膜 螺帽规 背孔刀 气动主轴 自动换刀主轴 防静电主轴 MSIY电主轴 高精密主轴 大扭矩电主轴 高斯计 直角电主轴 进口百分表 扭力起子 中村扭力扳手 脱磁器 螺纹深度规 主轴增速刀柄 RBZ浮动主轴 中心出水电主轴 气浮主轴 螺纹规
- 按应用领域分类
- 工程机械 数控机床 汽车制造 电子/光电 橡胶皮革检测 船舶制造 实验室/研究院 纺织业 精加工 雕刻 珠宝首饰 陶瓷工业 抛光去毛刺 PCB分板机加工 铣削加工 钻孔动力头 医疗加工 走心机高频铣 浮动去毛刺 小径深孔加工
- 按品牌分类
- AAA ASKER B2 BOWERS CITIZEN DMT FUJITOOL FISSO FUJIGEN HONDA GLOI HEINE KANETEC IMADA KANON KAYDIAMOND KROEPLIN MEYER MARUI MITUTOYO NAKANISHI PEACOCK PEAK PHOENIX PI-TAPE RSK RHEINTACHO SK SPI SUN SUPERTECH SWAN UNIVERSAL NOVAPAX XEBEC WIXEY Teclock tohnichi 富士KOSOKU RUBICON KEIBA TAJIMA NIKON Stanley SPI Engeering MARKAL PTC TMC THERMAX RION SHINKO STAO佐藤 TSUBOSAN OSKAR SCHWENK MARK-10 Microset starrett EENPAIX OJIYAS DIGITECH ROECKLE tites swiss Yamato Cherry DAIWA RABIN MSIY NRS PPS NSK
相关资讯
- 日本中村kanon单能型开口扭力扳手型号大全
- 喷丝板加工专用主轴—NR-3060S
- 日本NAKANISHI高速主轴如何实现一拖四?
- NAKANISHI主轴为高速加工机保驾护航
- 日本nakanishi一体式电动高速主轴有哪些型号?
- 铝件钻0.15mm的微孔需要多高转速?
- 人工接骨螺钉铣梅花,只需在走心机背轴加装高频铣
- 亚克力切割用NAKANISHI高速电主轴,切割面光滑透亮
- 什么是深孔?深孔加工有何特点?
- 德国Kroeplin进口卡规
- 精密微小深孔加工,选这款中心出水电主轴CTS-3030
- 优质油石之选--美国DMT磨刀石
- 机床主轴增速器: “小体积” 蕴含“大宇宙”
- 日本强力KANETEC强力脱磁器使用注意事项
- 西铁城走心机B12加装高频铣BM-319(图)
- 野村20UB8K走心机主轴加装高频铣,选BM-322
- 铝铸件水口毛刺,机械臂加装msiy-62电主轴
- 美国TMC热敏试纸,温度监测好帮手.
- 电磁铁和永磁铁各有千秋,就看哪种适合您
- 铝合金轮毂去毛刺,机械臂末端加装msiy-40浮动主轴
咨询热线:
13612997620
传真:0755-23033513
Q Q:
地址:彩博888深圳市宝安49区华创达文化科技产业园D栋507
产品详情
联系我们
东日tohnichi扭力扳手校正仪

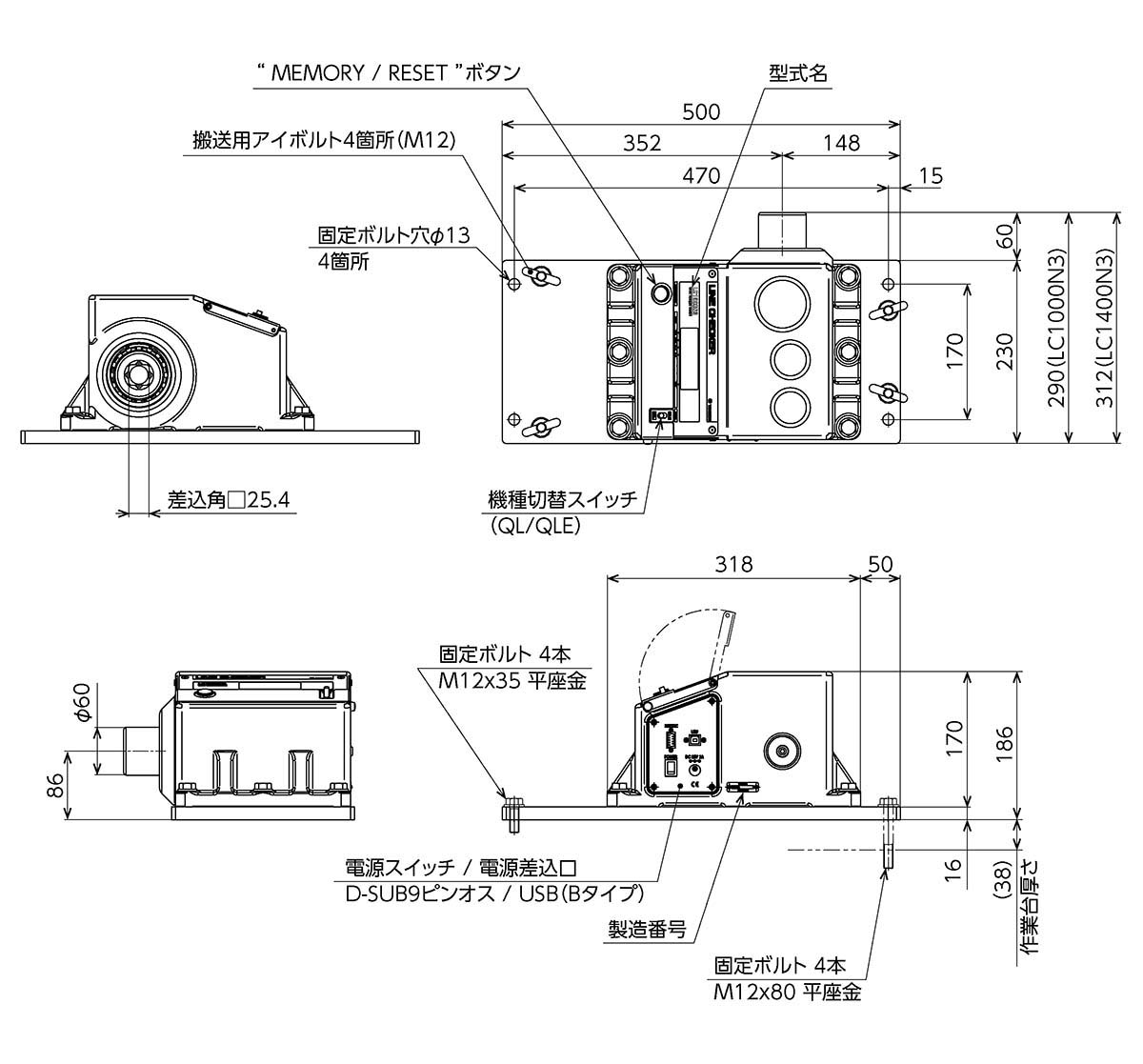
LC200N3
日本东日tohnichi扭力扳手校正仪,用于扭力扳手的日常检查和一个检查器,可以让您轻松检查螺母扳手的角度和扭矩。主要产品型号有:LC20N3、LC200N3、LC1000N3、LC1400N3。

LC1000N3
扭力扳手校正仪工作原理

通过显示器的颜色,您可以一目了然地判断您是通过还是失败。
彩博888 白色:测量 蓝色:判断结果为 OK(通过) 红色:判断结果为 NG(失败)
扭力扳手校正仪的用途
彩博888 通过检查线路侧扭矩扳手的精度来“拧紧保证”(日常检查)。
猜测最佳的下一次校准时间。(预防性的维护)
彩博888 LC20N3 还可用于检查扭矩驱动器的扭矩。
扭力扳手校正仪特征
配备“合格/不合格判断功能”,黑色遮罩液晶。
彩博888 价格低、结构紧凑、范围广、精度高。
可以读取实际操作扭矩(专利)。
内置统计功能。
自动计算样本数、最大值、最小值、平均值。
彩博888 六角接头可自由组合。
电源为AC100V至240V±10%的全球设计。
电池组可作为选件提供。
与在欧盟范围内使用兼容。
带有 CE 标志。
彩博888 我们还拥有为日本的飞机工业制造美制单位(lbf、in 等)和出口到美国的记录,以及出口到亚洲的公制(kgf、cm 等)规格。
您可以免费下载使用 Excel (R) 进行数据管理的有线数据输入工具“DtRcv(数据接收器)”。* “ExRcv(Excel 接收器)”已于 2021/3 更新为“DtRcv(数据接收器)”。* Excel (R) 是微软公司的注册商标。
扭力扳手校正仪配件
AC 适配器 (BA-6)
LC 用六角适配器组 (LC20N3: No.282, LC200N3: No.280)
插座适配器(LC20N3:No.1282、LC200N3:No.1280、LC1000N3:No.274、LC1400N3:No.276)
固定版(LC1000N3、LC1400N3)
扭力扳手校正仪尺寸

扭力扳手校正仪LC20N3、LC200N3尺寸

扭力扳手校正仪LC1000N3-G、LC1400N3-G尺寸
彩博888 订购:扭力扳手校正仪LC20N3








1960544536