春亨产品中心
- 按产品特性分类
- 水平仪 偏心仪 角度计 直角尺 同心度仪 高速主轴 内外测卡规 打磨机 钻石膏 各种量表 磨刀石 研磨油石 切削刀具 研磨刷 研磨工具 磁性工具 放大镜 内视镜 卡尺 千分尺 圆周尺 扭力工具 针规 间隙规 速度测试 高度尺/计 测量工具 硬度计 段差尺 焊道规 V型座 磁性吸盘 推拉力计 吊重磁盘 工业胶粘剂 研磨抛光 钳类工具 旋具工具 热敏试纸 粘度计 电子称 金属锉刀 复制胶膜 螺帽规 背孔刀 气动主轴 自动换刀主轴 防静电主轴 MSIY电主轴 高精密主轴 大扭矩电主轴 高斯计 直角电主轴 进口百分表 扭力起子 中村扭力扳手 脱磁器 螺纹深度规 主轴增速刀柄 RBZ浮动主轴 中心出水电主轴 气浮主轴 螺纹规
- 按应用领域分类
- 工程机械 数控机床 汽车制造 电子/光电 橡胶皮革检测 船舶制造 实验室/研究院 纺织业 精加工 雕刻 珠宝首饰 陶瓷工业 抛光去毛刺 PCB分板机加工 铣削加工 钻孔动力头 医疗加工 走心机高频铣 浮动去毛刺 小径深孔加工
- 按品牌分类
- AAA ASKER B2 BOWERS CITIZEN DMT FUJITOOL FISSO FUJIGEN HONDA GLOI HEINE KANETEC IMADA KANON KAYDIAMOND KROEPLIN MEYER MARUI MITUTOYO NAKANISHI PEACOCK PEAK PHOENIX PI-TAPE RSK RHEINTACHO SK SPI SUN SUPERTECH SWAN UNIVERSAL NOVAPAX XEBEC WIXEY Teclock tohnichi 富士KOSOKU RUBICON KEIBA TAJIMA NIKON Stanley SPI Engeering MARKAL PTC TMC THERMAX RION SHINKO STAO佐藤 TSUBOSAN OSKAR SCHWENK MARK-10 Microset starrett EENPAIX OJIYAS DIGITECH ROECKLE tites swiss Yamato Cherry DAIWA RABIN MSIY NRS PPS NSK
相关资讯
- 磁性水平仪为何选择日本RSK水平仪
- 走心机端铣2mm盲孔怎样可以避免毛刺产生?
- 日本NAKANISHI高速主轴在去除汽车驱动板上焊渣的应用
- 高速数控技术应用及未来发展趋势研究
- 管道壁厚测量,ROEPLIN管壁厚卡规帮您实现
- PCB板切割为什么要选择中西ESD防静电主轴?
- 高频铣加工在模具中的应用
- PCB板高精密切割钻孔,用中西换刀主轴NRR-3060
- 【RSK水平仪】春亨工具秘密武器让销量增倍
- 别搞错了,这才是真正值得你买的进口水平仪
- 【重磅推荐】NAKANISHI自动换刀主轴去毛刺视频合集
- 【实力商家】NAKANISHI高速主轴大量出货
- 您生产的轴精度-取决您选择的同心度仪
- 不锈钢钻孔2.5X3mm用MSIY-62主轴为何会振动?
- 中村扭力计专业测试玩具电机扭力值
- 日本NAKANISHI高速主轴三大特点
- 日本KANETEC强力制造磁性表座
- 塑料去披锋、切割水口,用6万转高速主轴,零毛刺
- 进口水平仪
- 中西NAKANISHI无碳刷打磨手柄IR-310,模具精密打磨!
咨询热线:
彩博888 13612997620
传真:彩博8880755-23033513
Q Q:
地址:彩博888深圳市宝安49区华创达文化科技产业园D栋507
产品详情
联系我们
彩博888日本奥爵士OJIYAS螺纹孔定位规M3x0.5
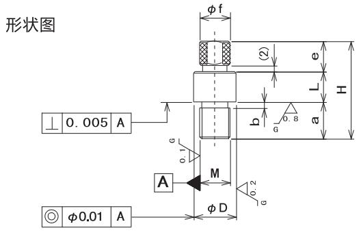
日本奥爵士OJIYAS螺纹孔定位规,主要用于检测螺孔和螺孔、螺孔与边距之间的尺寸距离,在三坐标量床上广泛使用。螺纹与量测面之间的直角度0.005mm,螺纹与两侧面之间的同轴度0.01mm.
OJIYAS螺纹孔定位规产品形状图

螺纹定位规产品应用


螺纹孔定位规产品型号及参数
M3-M20 所有螺纹定位规之螺纹都是Go端之螺纹量规,OJIYAS提供ISO 和JIS二种标准,订购时请指明。


螺纹孔定位规 螺纹规 螺纹定位规
彩博888 订购:ojiyas螺纹孔定位规





.png)


1960544536 


