春亨产品中心
- 按产品特性分类
- 水平仪 偏心仪 角度计 直角尺 同心度仪 高速主轴 内外卡规 打磨机 钻石膏 各种量表 磨刀石 研磨砂轮油石 切削刀具 研磨刷 研磨工具 磁性工具 放大镜 内视镜 卡尺 千分尺 圆周尺 扭力工具 针规 间隙规 速度测试 高度尺/计 测量工具 硬度计 段差尺 焊道规 V型座 磁性吸盘 力度测量 吊重磁盘 工业胶粘剂 研磨抛光 钳类工具 旋具工具 热敏试纸 粘度计 电子天平 金属锉刀 复制胶膜 深度规
- 按应用领域分类
- 工程机械 数控机床 汽车制造 电子/光电 塑胶皮革制品 船舶制造 实验室/研究院 纺织业 精加工 雕刻 珠宝首饰 陶瓷工业 抛光去毛刺 PCB分板机加工 铣削加工 钻孔加工 医疗加工 数控车床主轴
- 按品牌分类
- AAA ASKER B2 BOWERS CITIZEN DMT FUJITOOL FISSO FUJIGEN HONDA GLOI HEINE KANETEC IMADA KANON KAYDIAMOND KROEPLIN MEYER MARUI MITUTOYO NAKANISHI PEACOCK PEAK PHOENIX PI-TAPE RSK RHEINTACHO SK SPI SUN SUPERTECH SWAN UNIVERSAL NOVAPAX XEBEC WIXEY Teclock tohnichi 富士KOSOKU RUBICON KEIBA TAJIMA NIKON Stanley SPI Engeering MARKAL PTC TMC THERMAX RION SHINKO STAO佐藤 TSUBOSAN OSKAR SCHWENK MARK-10 Microset starrett EENPAIX OJIYAS DIGITECH ROECKLE tites swiss
相关资讯
- 日本ASKER橡胶硬度计,国际橡胶硬度计领导品牌
- 告诉你,如何挑选一款满意的厚度表,实现高效测量
- 日本NAKANSIHI精密电动打磨机ES50T-HR使用说明
- 测缸规的使用
- 进口工量具,售后服务很重要!
- NAKANISHI主轴外部连接输出功能介绍
- NSK高速主轴快与好并驾齐驱
- 日本kanecte(强力)永磁吸盘有哪些规格及型号?
- 日本KANETEC强力磁性座选型及应用
- TM-801高斯计出现ERR报警如何解决?
- 日本NAKANISHI高速主轴在汽车滑动轴承的去毛刺应用
- 铁板分离器品牌如何选才不会上当?
- 购买水平尺和调试机床常遇到的疑问
- 汽车内饰板的铣削加工去毛刺,用日本高速电主轴
- 不锈钢板材自动化去毛刺,用哪种研磨刷比较好?
- 进口自动化检测界限量表
- 进口百分表优选日本孔雀peacock百分表,值得信赖!
- 哪里可以买到感度0.01mm的高精密数显水平仪?
- 进口橡胶硬度计哪个牌子好?选日本得乐还是ASKER?
- 采购日本孔雀PEACOCK量表,当然要去春亨直选喽!
咨询热线:
0755-29695109
电话:0755-29695109
手机:18124698426
传真:彩博8880755-23033513
Q Q:
地址:深圳市宝安49区华创达文化科技产业园D栋313
产品详情
联系我们
自动化去毛刺浮动AF30
日本FT浮动AF30,可360°方向浮动5°,Z方向浮动5mm ,去毛刺过程中可吸收产品的形变量,自适应加工,有效的保护刀具,降低调试难度。可机器人夹持工具使用,也可将工具固定,机器人夹持工件进行去毛刺作业。搭配日本NAKANISHI高速主轴进行柔性去毛刺。
去毛刺浮动AF30应用视频彩博888
去毛刺浮动AF30产品特点
1.可360°方向浮动5°,Z方向浮动5mm ;
彩博888 2.去毛刺过程中可吸收产品的形变量,自适应加工,有效的保护刀具,降低调试难度。
3.可机器人夹持工具使用,也可将工具固定,机器人夹持工件进行去毛刺作业。
可推荐耗材:
铣刀、旋转锉、锥度铣刀、钢丝刷、金钢石磨头、金钢石磨片、切割轮。
去毛刺浮动AF30产品参数
型号: AF30
彩博888 浮动方式:360°
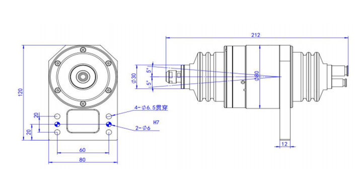
浮动范围:360°±5°Z向5mm
浮动压力:0.05-0.5Mpa
动力形式:气动/电动
彩博888 功率:130w
转速:19000
扭矩:0.25N·m
夹头:0.5-6.0
冷却方式:气冷
重量:2.3Kg
去毛刺浮动AF30产品尺寸

去毛刺浮动AF30产品实拍



去毛刺浮动AF30应用

去毛刺浮AF30产品说明

自动化 气式浮动 去毛刺主轴
工件中存在的分离线,肉厚部,汤口处等的毛刺,可用该气式浮动去毛刺主轴进行处理。
吸收X轴Y轴方向的未测定部分
气式浮动去毛刺主轴的气式浮动处可倾斜5°,在倾斜状态下可旋转360°。
吸收Z轴方向的未测定部分
去毛刺主轴的气式浮动处可模仿加工部品的形状,在Z轴方向缩短8mm。
结合工件材质,浮动力可自由调整
外部,使用调整阀等调整气式浮动部的气压,在调整浮动力(按压刀具大的力)的同时,去除加工中留下的各种各样的毛刺。
**由于在加工中,按压刀具的姿势不同,浮动力会有多多少少的差异,还请您注意!
可自由选择主轴马达
关于气式浮动去毛刺主轴客户可自由选择,安装市贩主轴马达。
主轴马达安装部分有两种尺寸
关于气式浮动去毛刺主轴,∮30的主轴马达可和AF30型安装,∮40主轴马达可和AF40型安装。
彩博888 订购:去毛刺浮动AF30








1960544536