春亨产品中心
- 按产品特性分类
- 水平仪 偏心仪 角度计 直角尺 同心度仪 高速主轴 内外测卡规 打磨机 钻石膏 各种量表 磨刀石 研磨油石 切削刀具 研磨刷 研磨工具 磁性工具 放大镜 内视镜 卡尺 千分尺 圆周尺 扭力工具 针规 间隙规 速度测试 高度尺/计 测量工具 硬度计 段差尺 焊道规 V型座 磁性吸盘 推拉力计 吊重磁盘 工业胶粘剂 研磨抛光 钳类工具 旋具工具 热敏试纸 粘度计 电子称 金属锉刀 复制胶膜 螺帽规 背孔刀 气动主轴 自动换刀主轴 防静电主轴 MSIY电主轴 高精密主轴 大扭矩电主轴 高斯计 直角电主轴 进口百分表 扭力起子 中村扭力扳手 脱磁器 螺纹深度规 主轴增速刀柄 RBZ浮动主轴 中心出水电主轴 气浮主轴 螺纹规
- 按应用领域分类
- 工程机械 数控机床 汽车制造 电子/光电 橡胶皮革检测 船舶制造 实验室/研究院 纺织业 精加工 雕刻 珠宝首饰 陶瓷工业 抛光去毛刺 PCB分板机加工 铣削加工 钻孔动力头 医疗加工 走心机高频铣 浮动去毛刺 小径深孔加工
- 按品牌分类
- AAA ASKER B2 BOWERS CITIZEN DMT FUJITOOL FISSO FUJIGEN HONDA GLOI HEINE KANETEC IMADA KANON KAYDIAMOND KROEPLIN MEYER MARUI MITUTOYO NAKANISHI PEACOCK PEAK PHOENIX PI-TAPE RSK RHEINTACHO SK SPI SUN SUPERTECH SWAN UNIVERSAL NOVAPAX XEBEC WIXEY Teclock tohnichi 富士KOSOKU RUBICON KEIBA TAJIMA NIKON Stanley SPI Engeering MARKAL PTC TMC THERMAX RION SHINKO STAO佐藤 TSUBOSAN OSKAR SCHWENK MARK-10 Microset starrett EENPAIX OJIYAS DIGITECH ROECKLE tites swiss Yamato Cherry DAIWA RABIN MSIY NRS PPS NSK
相关资讯
- 买卡规来春亨,直购德国KROEPLIN卡规,赢在未来
- 什么是中心出水主轴,中心出水主轴哪个牌子好?
- 走芯机加载NSK高频铣实现高速精密零件加工
- RSK水平仪底部V型槽特征的种类
- PL600-M2040气动研磨主轴,专攻不锈钢内圆研磨难题!
- 日本孔雀PEACOCK厚度计
- 哪里可以买到原装进口的美国阿肯色天然油石?
- XEBEC轮型研磨刷自动化去除外螺纹毛刺视频
- 不知如何选择NAKANISH高速主轴?春亨小编告诉您!
- 津上走芯机加装日本NSK气动主轴
- Nakanishi气动主轴PL600,可加装在铣床或磨床
- 汽车驱动板焊渣去毛刺,用NAKANISHI主轴,8小时加工500件
- SCM420合金钢钻2*7mm内孔,用大力矩电主轴BMS-4020
- 机床水平仪的灵敏度是什么意思?
- 强力kanertec磁性底座MB-BV,吸着力80kgf
- NAKANISHI气动内圆磨削主轴PL600-M2040的安装与使用
- PCB芯片切割,用ESD防静电主轴,可降低报废率
- 曲面打磨抛光为何要选择msiy浮动主轴?
- 中村扭力计测量小型动态扭力值
- NAKANISHI电动打磨机EV410-230使用方法
咨询热线:
13612997620
传真:0755-23033513
Q Q:
地址:深圳市宝安49区华创达文化科技产业园D栋507
产品详情
联系我们
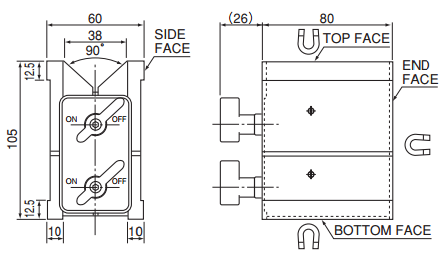
日本强力KVA-2F可开关V型座
产品特性:

磁性块的V槽面、底面和背面都带有磁性,可以固定工件.
附有分离式T型磁力开头匙.
防油和防水性设计.
如需要超高精度的表面光洁度,请在订购前说明.
产品应用:
适合固定圆钢或不规则形状的工件进行加工(如打记号、钻孔、攻丝、研磨);可以安装在放电加工机、走丝切割机、三维测 量设备等多种测量或加工设备上.
产品规格:

形式 | 吸着力 | 使用可能径 | 本体寸法 | 質量 |
KVA-2F1A | 392N(40kgf以上) | Φ8~φ50 | 60×105×80 | 3.2kg |

日本强力V型座,防油型V型座,KANETEC磁性座
订购:日本强力KVA-2F可开关V型座








1960544536 


