春亨产品中心
- 按产品特性分类
- 水平仪 偏心仪 角度计 直角尺 同心度仪 高速主轴 内外测卡规 打磨机 钻石膏 各种量表 磨刀石 研磨油石 切削刀具 研磨刷 研磨工具 磁性工具 放大镜 内视镜 卡尺 千分尺 圆周尺 扭力工具 针规 间隙规 速度测试 高度尺/计 测量工具 硬度计 段差尺 焊道规 V型座 磁性吸盘 推拉力计 吊重磁盘 工业胶粘剂 研磨抛光 钳类工具 旋具工具 热敏试纸 粘度计 电子称 金属锉刀 复制胶膜 螺帽规 背孔刀 气动主轴 自动换刀主轴 防静电主轴 MSIY电主轴 高精密主轴 大扭矩电主轴 高斯计 直角电主轴 进口百分表 扭力起子 中村扭力扳手 脱磁器 螺纹深度规 主轴增速刀柄 RBZ浮动主轴 中心出水电主轴 气浮主轴 螺纹规
- 按应用领域分类
- 工程机械 数控机床 汽车制造 电子/光电 橡胶皮革检测 船舶制造 实验室/研究院 纺织业 精加工 雕刻 珠宝首饰 陶瓷工业 抛光去毛刺 PCB分板机加工 铣削加工 钻孔动力头 医疗加工 走心机高频铣 浮动去毛刺 小径深孔加工
- 按品牌分类
- AAA ASKER B2 BOWERS CITIZEN DMT FUJITOOL FISSO FUJIGEN HONDA GLOI HEINE KANETEC IMADA KANON KAYDIAMOND KROEPLIN MEYER MARUI MITUTOYO NAKANISHI PEACOCK PEAK PHOENIX PI-TAPE RSK RHEINTACHO SK SPI SUN SUPERTECH SWAN UNIVERSAL NOVAPAX XEBEC WIXEY Teclock tohnichi 富士KOSOKU RUBICON KEIBA TAJIMA NIKON Stanley SPI Engeering MARKAL PTC TMC THERMAX RION SHINKO STAO佐藤 TSUBOSAN OSKAR SCHWENK MARK-10 Microset starrett EENPAIX OJIYAS DIGITECH ROECKLE tites swiss Yamato Cherry DAIWA RABIN MSIY NRS PPS NSK
相关资讯
- 买NAKANISHI高速主轴找春亨工具,这句话没毛病
- 一文读懂日本中村KANON扭力扳手的分类
- 线对线垂直度误差的测量—RSK框式水平仪法
- 日本NAKANISHI自动换刀电主轴优势分析
- 西铁城走心机Cincom A20可加装多种高频铣型号
- 加工中心钻0.1mm微孔断刀难题的解决方案
- 数控20排刀机钻0.3mm小孔,加装6万转小径电主轴
- 机械手去毛刺自动换刀电主轴,选NR4040-AQC
- 微小孔加工-NSK高速主轴为何备受关注
- 镜片模具去刀痕,用xebec表面刷A32-CB25M
- 西铁城CITIZEN电子界限量表,生产线上100%全检工件
- 树脂水口切割 | 中西4万转打磨机EV410-230 | 无毛边
- 排刀机加装高速主轴EM20-S6000不锈钢钻孔案例
- 日本NAKANISHI气动主轴保养说明
- 日本NSK快速换刀主轴NRR-3060与NRR3060-QC的区别
- 日本fine-techno浮动打磨主轴AF30和AF40有何区别?
- 日本KANON中村针盘式扭力扳手的使用步骤
- 中西NAKANISHI直角电主轴RAS-151E产品介绍
- 高光及超精加工电主轴哪个牌子好?选nsk高速电主轴
- 春亨工具揭秘:加工中心可以加装高频铣吗?
咨询热线:
13612997620
传真:彩博8880755-23033513
Q Q:
地址:深圳市宝安49区华创达文化科技产业园D栋507
产品详情
联系我们
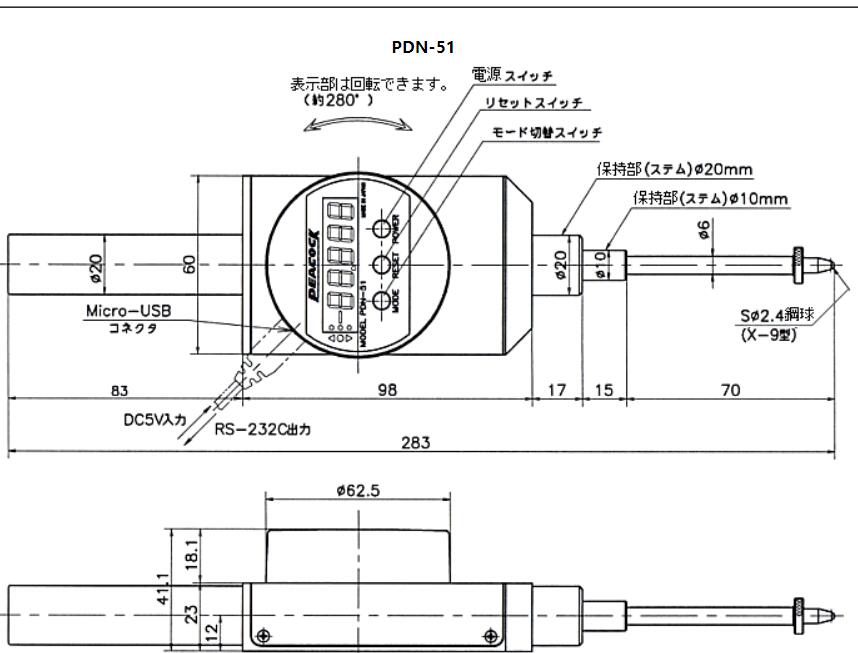
日本孔雀peacock数显百分表PDN-51

日本孔雀peacock数显百分表PDN-51,测量范围0-50mm,精度0.01mm和0.001mm可调,测定力3N。
数显百分表PDN-51产品尺寸

数显百分表PDN-51产品使用

数显百分表PDN-51产品参数

数显百分表 电子百分表
订购:数显千分表PDN-51








1960544536 


