春亨产品中心
- 按产品特性分类
- 水平仪 偏心仪 角度计 直角尺 同心度仪 高速主轴 内外测卡规 打磨机 钻石膏 各种量表 磨刀石 研磨油石 切削刀具 研磨刷 研磨工具 磁性工具 放大镜 内视镜 卡尺 千分尺 圆周尺 扭力工具 针规 间隙规 速度测试 高度尺/计 测量工具 硬度计 段差尺 焊道规 V型座 磁性吸盘 推拉力计 吊重磁盘 工业胶粘剂 研磨抛光 钳类工具 旋具工具 热敏试纸 粘度计 电子称 金属锉刀 复制胶膜 螺帽规 背孔刀 气动主轴 自动换刀主轴 防静电主轴 MSIY电主轴 高精密主轴 大扭矩电主轴 高斯计 直角电主轴 进口百分表 扭力起子 中村扭力扳手 脱磁器 螺纹深度规 主轴增速刀柄 RBZ浮动主轴 中心出水电主轴 气浮主轴 螺纹规
- 按应用领域分类
- 工程机械 数控机床 汽车制造 电子/光电 橡胶皮革检测 船舶制造 实验室/研究院 纺织业 精加工 雕刻 珠宝首饰 陶瓷工业 抛光去毛刺 PCB分板机加工 铣削加工 钻孔动力头 医疗加工 走心机高频铣 浮动去毛刺 小径深孔加工
- 按品牌分类
- AAA ASKER B2 BOWERS CITIZEN DMT FUJITOOL FISSO FUJIGEN HONDA GLOI HEINE KANETEC IMADA KANON KAYDIAMOND KROEPLIN MEYER MARUI MITUTOYO NAKANISHI PEACOCK PEAK PHOENIX PI-TAPE RSK RHEINTACHO SK SPI SUN SUPERTECH SWAN UNIVERSAL NOVAPAX XEBEC WIXEY Teclock tohnichi 富士KOSOKU RUBICON KEIBA TAJIMA NIKON Stanley SPI Engeering MARKAL PTC TMC THERMAX RION SHINKO STAO佐藤 TSUBOSAN OSKAR SCHWENK MARK-10 Microset starrett EENPAIX OJIYAS DIGITECH ROECKLE tites swiss Yamato Cherry DAIWA RABIN MSIY NRS PPS NSK
相关资讯
- 铝合金去合模线,机械臂加装6万转高速电主轴
- 推荐一款性价比高的气动高频铣,适用于多种走心机
- 加工中心铝件高光,加装中西高频铣BM-320F
- NAKANISHI中西NSK E3000高速主轴如何安装?
- 如何设定日本SK高精密数显水平仪0点?
- 小型砂带打磨机哪个牌子好?推荐中西nakanishi!
- 如何延长NAKANISHI主轴的使用寿命?
- 压铸铝去凸台去合模线,用MSIY自动换刀浮动主轴
- 不锈钢钻1.1mm,深度80mm孔用哪款高速电主轴?
- PEEK材料钻0.5mm小径深孔,用NAKANISHI电主轴
- NAKANISHI打磨机在加工行业的应用
- NSK高速主轴钻孔-满足客户所有加工需求
- 机器人自动化去除PE模具曲面合模线,用这个方案
- Peacock杠杆表—总有一款适合您
- 日本三丰数显千分尺,怎样保养可以延长寿命?
- NAKANISHI钻孔动力头NR-3060S钻孔应用案例
- 【teclock得乐】精密量仪春亨工具优势供应
- 日本NAKANISHI超声波打磨机US-25PBS使用和维护
- NR-2351微型电主轴适用于哪些机床使用呢?
- 高精度打磨机品牌,日本中西NAKANISHI很有特色
咨询热线:
彩博888 13612997620
传真:彩博8880755-23033513
Q Q:
地址:深圳市宝安49区华创达文化科技产业园D栋507
产品详情
联系我们
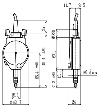
西铁城CITIZEN界限量表1S-100
产品应用:

信号指示量表是指指针式量表与电气接点的组合,可以在测定状态中传送3段或5段的区别信号。不仅被广泛使用在钟表生产线,也常备应用在汽车引擎,轴承等生产线上,发挥着自动化检查与选别的威力。
产品特点:

◆小体积——小型化的设计,可应用于狭小的空间中。
◆耐久性——测定轴采用球滑轨,具有优越的耐久性
◆耐环境——高度防尘、防滴性能。可以放心用于加工、组装现场。
产品规格与尺寸:

模型 | 1S-100LP | 1S-010LP | 1S-100 | 1S-010 | 1S-010FIS | |||||
精度 | 1μm | 10μm | 1μm | 10μm | 20μm | |||||
范围 | 精度±0.05mm | ±0.5 | 精度±0.05mm | ±0.5 | ±0.5 | |||||
准确性 | ±1μm | ±5μm | ±1μm | ±5μm | ±15μm | |||||
测力 | 0.98N | |||||||||
最大行程 | 2.5毫米 | |||||||||
电压 | DC 24 V毫安 | |||||||||
标准 | 测针1 | F-001 | ||||||||
测针2 | 平背(F-M103-1) | |||||||||
电缆 | 1米 | 3SMA-0061-1.5(1.5米) | ||||||||
橡胶波纹管 | M-131 | |||||||||
选项 | 释放 | - | M-140 | |||||||
可选电缆 | 长度 | 3米 | 5米 | 10M(订货生产) | ||||||
模型 | 3SMA-0061-3 | 3SMA-0061-5 | 3SMA-0061-10 | |||||||

订购:西铁城CITIZEN界限量表1S-100








1960544536 


