春亨产品中心
- 按产品特性分类
- 水平仪 偏心仪 角度计 直角尺 同心度仪 高速主轴 内外测卡规 打磨机 钻石膏 各种量表 磨刀石 研磨油石 切削刀具 研磨刷 研磨工具 磁性工具 放大镜 内视镜 卡尺 千分尺 圆周尺 扭力工具 针规 间隙规 速度测试 高度尺/计 测量工具 硬度计 段差尺 焊道规 V型座 磁性吸盘 推拉力计 吊重磁盘 工业胶粘剂 研磨抛光 钳类工具 旋具工具 热敏试纸 粘度计 电子称 金属锉刀 复制胶膜 螺帽规 背孔刀 气动主轴 自动换刀主轴 防静电主轴 MSIY电主轴 高精密主轴 大扭矩电主轴 高斯计 直角电主轴 进口百分表 扭力起子 中村扭力扳手 脱磁器 螺纹深度规 主轴增速刀柄 RBZ浮动主轴 中心出水电主轴 气浮主轴 螺纹规
- 按应用领域分类
- 工程机械 数控机床 汽车制造 电子/光电 橡胶皮革检测 船舶制造 实验室/研究院 纺织业 精加工 雕刻 珠宝首饰 陶瓷工业 抛光去毛刺 PCB分板机加工 铣削加工 钻孔动力头 医疗加工 走心机高频铣 浮动去毛刺 小径深孔加工
- 按品牌分类
- AAA ASKER B2 BOWERS CITIZEN DMT FUJITOOL FISSO FUJIGEN HONDA GLOI HEINE KANETEC IMADA KANON KAYDIAMOND KROEPLIN MEYER MARUI MITUTOYO NAKANISHI PEACOCK PEAK PHOENIX PI-TAPE RSK RHEINTACHO SK SPI SUN SUPERTECH SWAN UNIVERSAL NOVAPAX XEBEC WIXEY Teclock tohnichi 富士KOSOKU RUBICON KEIBA TAJIMA NIKON Stanley SPI Engeering MARKAL PTC TMC THERMAX RION SHINKO STAO佐藤 TSUBOSAN OSKAR SCHWENK MARK-10 Microset starrett EENPAIX OJIYAS DIGITECH ROECKLE tites swiss Yamato Cherry DAIWA RABIN MSIY NRS PPS NSK
相关资讯
- 美国环球UNIVERSAL同心度仪选型及使用方法
- 中村扭力起子一款真正能过载空转的扭力工具
- 它无处不在,一个值得信赖的存在——RSK水准器
- FUJIGEN富士元倒角机适用范围
- 铝合金端铣加工用这款高速精密主轴BMS-4040
- 多样化检测功能量具——德国进口卡规
- nsk中西手动快速换刀主轴NRR-3060,铣削钻孔倒角
- 0.14mm孔雀peacock千分表型号有几个?
- KROEPLIN喷雾罐卡规
- 高精度同心度测试仪--美国环球UNIVERSAL
- 机械臂去除汽车挡泥板毛刺,NAKANISHI大扭矩电主轴
- UNIVERSAL同心度仪从‘金’到‘精’解决测量难题
- 新能源汽车铝电池盖板去毛刺,建议使用自动换刀主轴
- 津上走芯机加装日本NSK气动主轴
- KANON扭力起子,让您省力更省心
- sheenes ZERO 超声波电动打磨机有哪些特点?
- 电动打磨机哪家强?行业内人士都在用这款打磨机!
- 得乐IRHD国际橡胶硬度测试仪,专业测量微小O型密封圈
- 津上走心机可以加装直径30mm的高速电主轴吗?
- 预设扭力扳手超过预设力会打滑吗?
咨询热线:
彩博888 13612997620
传真:0755-23033513
Q Q:
地址:深圳市宝安49区华创达文化科技产业园D栋507
产品详情
联系我们
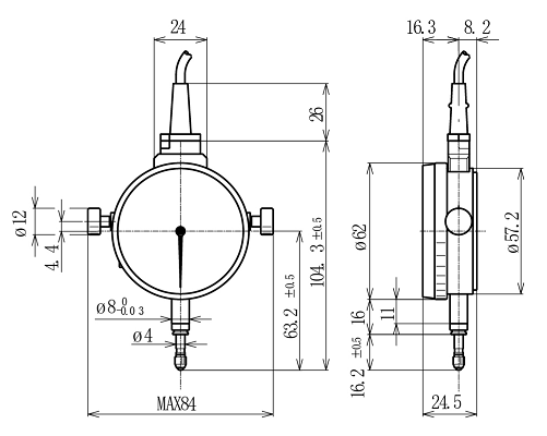
西铁城CITIZEN界限量表2S-010FIIS
产品应用:

信号指示量表是指指针式量表与电气接点的组合,可以在测定状态中传送3段或5段的区别信号。不仅被广泛使用在钟表生产线,也常备应用在汽车引擎,轴承等生产线上,发挥着自动化检查与选别的威力。
产品特点:

◆易读数的大刻度盘。
◆实惠的价格
产品规格与尺寸:

模型 | 2S-100 | 2S-200 | 2S-010 | 2S-010FIIS | |||||
精度 | 1μm | 2μm | 10μm | 20μm | |||||
范围 | 精度±0.05mm | 为±0.1mm | ±0.6毫米 | ±0.5 | |||||
准确性 | ±1μm | ±1.5μm | ±5μm | ±15μm | |||||
测力 | 1.18N | 0.78N | |||||||
最大行程 | 2.8毫米 | ||||||||
电压 | DC 24 V毫安 | ||||||||
标准 | 测针1 | F-001 | |||||||
测针2 | 平背(F-M101) | ||||||||
电缆 | 3SMA-0061-1.5(1.5米) | ||||||||
选项 | 提升杆 | M-140 | |||||||
可选电缆 | 长度 | 3米 | 5米 | 10M(订货生产) | |||||
模型 | 3SMA-0061-3 | 3SMA-0061-5 | 3SMA-0061-10 | ||||||


西铁城CITIZEN界限量表|信号指示量表|千分表|精密量具
订购:西铁城CITIZEN界限量表2S-010FIIS








1960544536 


