春亨产品中心
- 按产品特性分类
- 水平仪 偏心仪 角度计 直角尺 同心度仪 高速主轴 内外测卡规 打磨机 钻石膏 各种量表 磨刀石 研磨油石 切削刀具 研磨刷 研磨工具 磁性工具 放大镜 内视镜 卡尺 千分尺 圆周尺 扭力工具 针规 间隙规 速度测试 高度尺/计 测量工具 硬度计 段差尺 焊道规 V型座 磁性吸盘 推拉力计 吊重磁盘 工业胶粘剂 研磨抛光 钳类工具 旋具工具 热敏试纸 粘度计 电子称 金属锉刀 复制胶膜 螺帽规 背孔刀 气动主轴 自动换刀主轴 防静电主轴 MSIY电主轴 高精密主轴 大扭矩电主轴 高斯计 直角电主轴 进口百分表 扭力起子 中村扭力扳手 脱磁器 螺纹深度规 主轴增速刀柄 RBZ浮动主轴 中心出水电主轴 气浮主轴 螺纹规
- 按应用领域分类
- 工程机械 数控机床 汽车制造 电子/光电 橡胶皮革检测 船舶制造 实验室/研究院 纺织业 精加工 雕刻 珠宝首饰 陶瓷工业 抛光去毛刺 PCB分板机加工 铣削加工 钻孔动力头 医疗加工 走心机高频铣 浮动去毛刺 小径深孔加工
- 按品牌分类
- AAA ASKER B2 BOWERS CITIZEN DMT FUJITOOL FISSO FUJIGEN HONDA GLOI HEINE KANETEC IMADA KANON KAYDIAMOND KROEPLIN MEYER MARUI MITUTOYO NAKANISHI PEACOCK PEAK PHOENIX PI-TAPE RSK RHEINTACHO SK SPI SUN SUPERTECH SWAN UNIVERSAL NOVAPAX XEBEC WIXEY Teclock tohnichi 富士KOSOKU RUBICON KEIBA TAJIMA NIKON Stanley SPI Engeering MARKAL PTC TMC THERMAX RION SHINKO STAO佐藤 TSUBOSAN OSKAR SCHWENK MARK-10 Microset starrett EENPAIX OJIYAS DIGITECH ROECKLE tites swiss Yamato Cherry DAIWA RABIN MSIY NRS PPS NSK
相关资讯
- 600mm机床气泡水平仪哪里买?春亨工具特价出售
- 日本孔雀数显厚度计JAN-255产品实拍(视频)
- 板材倒角?没这么难,富士元倒角机轻松解决
- 碳素钢材质钻8mm孔用什么工具加工效率高,效果好?
- 相对测量首选孔雀杠杆百分表
- 钢件自动化去毛刺,机械臂加装1.2kw自动换刀浮动主轴
- 刀塔机也能加装NAKANISHI高速电主轴?
- 春亨工具教您如何提高NSK高速主轴寿命
- 黄铜高精密铣削,用中西NAKANISHI高速电主轴
- 进口电主轴品牌有哪些牌子值得推荐?
- 什么是圆柱直角尺?什么牌子的圆柱直角尺好用?
- 日本NAKANISHI高速主轴是数控雕刻机主轴的理想选择
- PCB板切割分板,常用NAKANISHI高速电主轴切割
- KANETEC脱磁器如何选型
- 铜件机加后毛刺,机械臂加装MSIY-40浮动主轴可去除
- 进口快速换刀主轴,NAKANISHI中西NSK造就精品
- 轴承钢铣12角梅花,斯大走心机加装中西高频铣
- 日本MITUTOYO三丰杠杆千分表513系列有哪些特点?
- NAKANISHI防静电主轴可防止ECU电子元件遭损坏
- LPR-VN300/LPR-VN600吊钟磁可吊重那些形状的钢材
咨询热线:
13612997620
传真:0755-23033513
Q Q:
地址:深圳市宝安49区华创达文化科技产业园D栋507
产品详情
联系我们
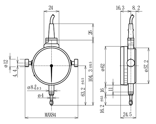
西铁城CITIZEN界限量表2S-100
产品应用:

信号指示量表是指指针式量表与电气接点的组合,可以在测定状态中传送3段或5段的区别信号。不仅被广泛使用在钟表生产线,也常备应用在汽车引擎,轴承等生产线上,发挥着自动化检查与选别的威力。
产品特点:

◆易读数的大刻度盘。
◆实惠的价格
产品规格与尺寸:

模型 | 2S-100 | 2S-200 | 2S-010 | 2S-010FIIS | |||||
精度 | 1μm | 2μm | 10μm | 20μm | |||||
范围 | 精度±0.05mm | 为±0.1mm | ±0.6毫米 | ±0.5 | |||||
准确性 | ±1μm | ±1.5μm | ±5μm | ±15μm | |||||
测力 | 1.18N | 0.78N | |||||||
最大行程 | 2.8毫米 | ||||||||
电压 | DC 24 V毫安 | ||||||||
标准 | 测针1 | F-001 | |||||||
测针2 | 平背(F-M101) | ||||||||
电缆 | 3SMA-0061-1.5(1.5米) | ||||||||
选项 | 提升杆 | M-140 | |||||||
可选电缆 | 长度 | 3米 | 5米 | 10M(订货生产) | |||||
模型 | 3SMA-0061-3 | 3SMA-0061-5 | 3SMA-0061-10 | ||||||


西铁城CITIZEN界限量表|信号指示量表|千分表|精密量具
订购:西铁城CITIZEN界限量表2S-100








1960544536 


