春亨产品中心
- 按产品特性分类
- 水平仪 偏心仪 角度计 直角尺 同心度仪 高速主轴 内外测卡规 打磨机 钻石膏 各种量表 磨刀石 研磨油石 切削刀具 研磨刷 研磨工具 磁性工具 放大镜 内视镜 卡尺 千分尺 圆周尺 扭力工具 针规 间隙规 速度测试 高度尺/计 测量工具 硬度计 段差尺 焊道规 V型座 磁性吸盘 推拉力计 吊重磁盘 工业胶粘剂 研磨抛光 钳类工具 旋具工具 热敏试纸 粘度计 电子称 金属锉刀 复制胶膜 螺帽规 背孔刀 气动主轴 自动换刀主轴 防静电主轴 MSIY电主轴 高精密主轴 大扭矩电主轴 高斯计 直角电主轴 进口百分表 扭力起子 中村扭力扳手 脱磁器 螺纹深度规 主轴增速刀柄 RBZ浮动主轴 中心出水电主轴 气浮主轴 螺纹规
- 按应用领域分类
- 工程机械 数控机床 汽车制造 电子/光电 橡胶皮革检测 船舶制造 实验室/研究院 纺织业 精加工 雕刻 珠宝首饰 陶瓷工业 抛光去毛刺 PCB分板机加工 铣削加工 钻孔动力头 医疗加工 走心机高频铣 浮动去毛刺 小径深孔加工
- 按品牌分类
- AAA ASKER B2 BOWERS CITIZEN DMT FUJITOOL FISSO FUJIGEN HONDA GLOI HEINE KANETEC IMADA KANON KAYDIAMOND KROEPLIN MEYER MARUI MITUTOYO NAKANISHI PEACOCK PEAK PHOENIX PI-TAPE RSK RHEINTACHO SK SPI SUN SUPERTECH SWAN UNIVERSAL NOVAPAX XEBEC WIXEY Teclock tohnichi 富士KOSOKU RUBICON KEIBA TAJIMA NIKON Stanley SPI Engeering MARKAL PTC TMC THERMAX RION SHINKO STAO佐藤 TSUBOSAN OSKAR SCHWENK MARK-10 Microset starrett EENPAIX OJIYAS DIGITECH ROECKLE tites swiss Yamato Cherry DAIWA RABIN MSIY NRS PPS NSK
相关资讯
- 购买木工雕刻机精雕主轴,必须符合这四大条件!
- FUJIGEN富士元倒角机适用范围
- 数控车加装msiy62大扭矩主轴,夹持10mm柄径刀具
- 进口水平仪,当然选择日RSK品牌
- RSK水平仪鼠年与您携手共创制造业的明天
- 制冷零配件钻1.5X3mm小孔,加装MSIY-4020电主轴
- 水平仪在机床设备安装中的重要性
- NAKANISHI打磨机在加工行业的应用
- KROEPLIN喷雾罐卡规
- 凸轮机钻2mm斜孔,加装MSIY-25无刷电主轴
- Peacock盲孔缸径规,可测量盲孔靠近底部的孔径
- 日本RSK机床气泡水平仪如何读数?
- 西铁城走心机L12,加装中西微型主轴铣医疗异型件
- 日本KANON中村针盘式扭力扳手的使用步骤
- 逛完整个宝安国际橡塑展,居然找不到一款合适的橡胶硬度测试仪!还不如~~~
- 锐必克陶瓷纤维油石使用技巧,赶快来瞧瞧!
- 中西nakanishi气浮主轴ABT-1600,半导体制造精加工
- 机床设备调试中怎样快速掌握水平仪的操作及实际应用
- 英国MICROSET微科达超精密复制胶膜应用领域
- AF10浮动刀柄,砂芯、硅胶等软性材料打磨去毛刺
咨询热线:
彩博888 13612997620
传真:彩博8880755-23033513
Q Q:
地址:深圳市宝安49区华创达文化科技产业园D栋507
产品详情
联系我们
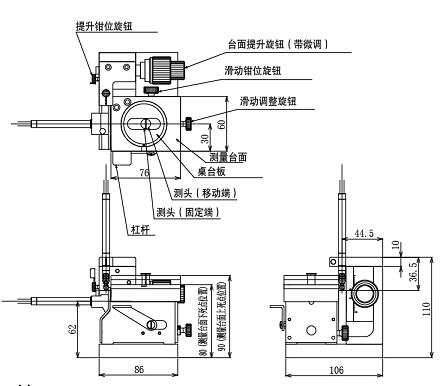
西铁城CITIZEN内径测定器BST-5BN
产品应用:

横型测试座,内径测定器.带有测定深度调整功能,适用于测量精度的小物品
产品说明:


产品规格:

| 型式 | BST-5BN |
| 无测量用表※1 | |
| 测定范围 | Φ2-23mm |
| 测定深度调整量 | 最大10mm(因测头不同而异) |
| 测定力 | 1.47N |
| 端子行程 | 1mm |
| 标准测头 | ※1 |
| 附属品 | ※1 |
◎该内径测量器为比较值测定器,需要准备标准工件,如果标准工件与被测对象间尺寸差距过大时会产生误差。
※1本产品的测量用表、测头、卓台面均为另售,详细用途请另行咨询。

西铁城CITIZEN横式测试座|外径测定器|内径测定器|内外径测量仪
彩博888 订购:西铁城CITIZEN内径测定器BST-5BN








1960544536 


