春亨产品中心
- 按产品特性分类
- 水平仪 偏心仪 角度计 直角尺 同心度仪 高速主轴 内外测卡规 打磨机 钻石膏 各种量表 磨刀石 研磨油石 切削刀具 研磨刷 研磨工具 磁性工具 放大镜 内视镜 卡尺 千分尺 圆周尺 扭力工具 针规 间隙规 速度测试 高度尺/计 测量工具 硬度计 段差尺 焊道规 V型座 磁性吸盘 推拉力计 吊重磁盘 工业胶粘剂 研磨抛光 钳类工具 旋具工具 热敏试纸 粘度计 电子称 金属锉刀 复制胶膜 螺帽规 背孔刀 气动主轴 自动换刀主轴 防静电主轴 MSIY电主轴 高精密主轴 大扭矩电主轴 高斯计 直角电主轴 进口百分表 扭力起子 中村扭力扳手 脱磁器 螺纹深度规 主轴增速刀柄 RBZ浮动主轴 中心出水电主轴 气浮主轴 螺纹规
- 按应用领域分类
- 工程机械 数控机床 汽车制造 电子/光电 橡胶皮革检测 船舶制造 实验室/研究院 纺织业 精加工 雕刻 珠宝首饰 陶瓷工业 抛光去毛刺 PCB分板机加工 铣削加工 钻孔动力头 医疗加工 走心机高频铣 浮动去毛刺 小径深孔加工
- 按品牌分类
- AAA ASKER B2 BOWERS CITIZEN DMT FUJITOOL FISSO FUJIGEN HONDA GLOI HEINE KANETEC IMADA KANON KAYDIAMOND KROEPLIN MEYER MARUI MITUTOYO NAKANISHI PEACOCK PEAK PHOENIX PI-TAPE RSK RHEINTACHO SK SPI SUN SUPERTECH SWAN UNIVERSAL NOVAPAX XEBEC WIXEY Teclock tohnichi 富士KOSOKU RUBICON KEIBA TAJIMA NIKON Stanley SPI Engeering MARKAL PTC TMC THERMAX RION SHINKO STAO佐藤 TSUBOSAN OSKAR SCHWENK MARK-10 Microset starrett EENPAIX OJIYAS DIGITECH ROECKLE tites swiss Yamato Cherry DAIWA RABIN MSIY NRS PPS NSK
相关资讯
- NSK分板机高速电主轴NR-3060S与NRF-3060S的区别
- 双11,春亨工具进口量具仪器大放送
- NSK高速主轴提高企业打磨去毛刺生产效率
- PEACOCK定寸表,让测量更简单
- 春亨工具2020年春节放假通知
- 扭螺丝害怕用力太大损害设备,可以试试这款扭力起子!
- 你和进口高精密卡规之间的距离只差一个电话
- 自动换刀主轴NR-3060AQC内孔去毛刺(视频)
- 外螺纹自动化去毛刺,用高速电主轴配轮型研磨刷
- XEBEC锐必克车床刷,适合于车床上去毛刺使用
- 【美国DMT磨刀石】在生活中的应用
- NIKON高度计
- CNC加工中心该如何选择合适的刀具?
- 吹风机叶轮加工,用msiy-4030电主轴,降本增效
- 四种常见的分板机种类及其优缺点分析
- 架子鼓脚踏板去披锋毛刺,用MSIY-40浮动主轴
- 进口检测工具--为中国制造业质量升级创造价值
- 玻璃纤维自动化去毛刺,机械臂加装msiy-30浮动主轴
- 铝铸件去毛刺,用功率600W的浮动主轴更适合
- NAKANISHI中西NSK分板机主轴
咨询热线:
13612997620
传真:彩博8880755-23033513
Q Q:
地址:彩博888深圳市宝安49区华创达文化科技产业园D栋507
产品详情
联系我们
日本强力磁性可调圆型磁性吸盘RMC-13

日本强力kanetec圆形永磁吸盘RMC系列,拥有高性能磁体,适用在磨削操作的旋转磨床,外圆磨床,内圆磨床,并安装在车床进行切削操作。
可调圆形永磁吸盘的特点

永磁吸盘拥有高性能磁体,适用在磨削操作的旋转磨床,外圆磨床,内圆磨床,并安装在车床进行切削操作。
“B”类型,由弱磁力保持工件位置后,之后加大磁力,精细地调节它的固定位置。
可以同时用于磨削和切割操作。
高精度夹头,精度稳定。厚薄工件都适用。
可调型圆形永磁吸盘产品型号

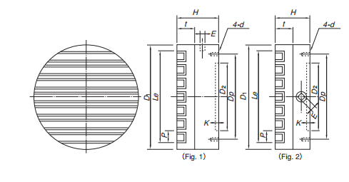
可调型圆形永磁吸盘产品尺寸


可调型圆形永磁吸盘吸着力参数


可调磁性吸盘,圆形磁性吸盘,永磁吸盘
订购:圆形电磁吸盘RMC-13








1960544536 

