春亨产品中心
- 按产品特性分类
- 水平仪 偏心仪 角度计 直角尺 同心度仪 高速主轴 内外测卡规 打磨机 钻石膏 各种量表 磨刀石 研磨油石 切削刀具 研磨刷 研磨工具 磁性工具 放大镜 内视镜 卡尺 千分尺 圆周尺 扭力工具 针规 间隙规 速度测试 高度尺/计 测量工具 硬度计 段差尺 焊道规 V型座 磁性吸盘 推拉力计 吊重磁盘 工业胶粘剂 研磨抛光 钳类工具 旋具工具 热敏试纸 粘度计 电子称 金属锉刀 复制胶膜 螺帽规 背孔刀 气动主轴 自动换刀主轴 防静电主轴 MSIY电主轴 高精密主轴 大扭矩电主轴 高斯计 直角电主轴 进口百分表 扭力起子 中村扭力扳手 脱磁器 螺纹深度规 主轴增速刀柄 RBZ浮动主轴 中心出水电主轴 气浮主轴 螺纹规
- 按应用领域分类
- 工程机械 数控机床 汽车制造 电子/光电 橡胶皮革检测 船舶制造 实验室/研究院 纺织业 精加工 雕刻 珠宝首饰 陶瓷工业 抛光去毛刺 PCB分板机加工 铣削加工 钻孔动力头 医疗加工 走心机高频铣 浮动去毛刺 小径深孔加工
- 按品牌分类
- AAA ASKER B2 BOWERS CITIZEN DMT FUJITOOL FISSO FUJIGEN HONDA GLOI HEINE KANETEC IMADA KANON KAYDIAMOND KROEPLIN MEYER MARUI MITUTOYO NAKANISHI PEACOCK PEAK PHOENIX PI-TAPE RSK RHEINTACHO SK SPI SUN SUPERTECH SWAN UNIVERSAL NOVAPAX XEBEC WIXEY Teclock tohnichi 富士KOSOKU RUBICON KEIBA TAJIMA NIKON Stanley SPI Engeering MARKAL PTC TMC THERMAX RION SHINKO STAO佐藤 TSUBOSAN OSKAR SCHWENK MARK-10 Microset starrett EENPAIX OJIYAS DIGITECH ROECKLE tites swiss Yamato Cherry DAIWA RABIN MSIY NRS PPS NSK
相关资讯
- 业内人士不会告诉您的铣牙钉梅花的秘密
- 日本NAKANISHI高速主轴在工业机器人上的应用
- 切绘机加装中西电主轴EM30-S6000,可切割更厚材料
- KANON预置式中村扭力起子
- 盘点日本NAKANISHI中西E4000电主轴的8大类型
- NAKANISHI浮动电主轴,机器人打磨抛光必备动力头
- 国产去毛刺主轴哪个牌子好?MSIY主轴值得推荐
- 日本peacock大型外测卡规,专注大型工件厚度测量
- NSK常用于分板机切割的主轴型号有哪些?
- 春亨工具教你斯大走心机安装nakanishi高频铣技巧
- RSK进口水平尺如何调试?
- 进口针规专业供应商--春亨工具
- 体积小精度高的得乐杠杆百分表
- 高频铣上的线缆被固定后,有其他方式来拆卸主轴吗?
- 走近进口偏心检查器,看您缺少哪一款
- 你与高精度加工只差一套NAKANISHI高速主轴
- 排刀机加装msiy--2510电主轴,2支主轴交替加工
- 您生产的轴精度-取决您选择的同心度仪
- 日本得乐TECLOCK数显橡胶硬度计带峰值保留功能
- 日本RSK新泻理研水平仪大量到货
咨询热线:
13612997620
传真:彩博8880755-23033513
Q Q:
地址:彩博888深圳市宝安49区华创达文化科技产业园D栋507
产品详情
联系我们
CNC加工中心 HSK A63增速刀柄

HSK A63高速主轴指的是NAKANISHI中西HSK A63高速刀柄,有电动增速刀柄和气动增速刀柄两种,可直接套在CNC加工中心上就能使用。电动增速刀柄转速有5万转和8万转可选,气动增速刀柄转速高达15万转,型号分别为HES510-HSK A63 、HES810-HSK A63和HTS1501S-HSK A63
CNC加工中心HSK A63高速刀柄加工视频
5万转电动高速刀柄加工视频
15万转气动高速刀柄高速铣削加工视频
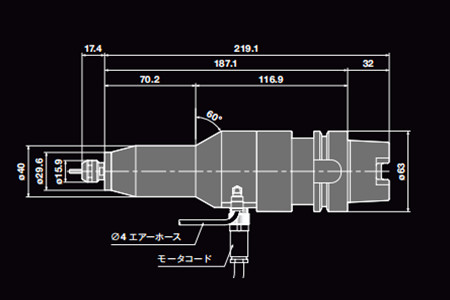
HES510-HSK A63电动高速刀柄

彩博888主轴型号:HES510-HSK A63
彩博888 转速: 5000~50000min-1可调节
主轴精度:1μm以内
输出功率:340w
彩博888 重量:2.7kg
NAKANISHI主轴HES510-HSK A63,采用高速无碳刷式马达主轴,可用于ψ2mm以下之小径钻头、小径研磨之高精度切削加工,高转速:50000转/min,不使用机械主轴运转,仅需安装即可实现NC铣床和中心加工机的高速运转,主要用于钻微孔、模具高光、精密铣削、雕刻等加工。
HES810-HSK A63电动高速刀柄

主轴型号:HES810-HSK A63
转速:20000~80000min-1
主轴精度:1μm以内
彩博888 输出功率:350w
重量:2.6kg
NAKANISHI高速主轴HES810-HSK A63,可用于ψ2mm以下之小径钻头、小径研磨之高精度切削加工,高转速:80000转/min,不使用机械主轴运转,仅需安装即可实现NC铣床和中心加工机的高速运转;
通过接柄直接安装在机床主轴锥孔内,通过拉钉机构拉紧,和普通的刀柄安装几乎相同。可方便的安装在各种机床主轴输出锥孔上,采用陶瓷轴承时,可达7倍增速,转速可达80,000转/min。
15万转HSK A63气动高速刀柄

NAKANISHI高速气动涡轮主轴HTS1501S-HSK A63,高转速15万转,输出功率25W,适用于精密铣削雕刻加工,加装在CNC加工中心特别适合。
HTS系列 - 可提升F值(运转速度),发挥R0.5以下球形铣刀的功效。使用空气涡轮,可减少发热,并立即稳定Z位移(轴心伸长)。不用主轴运转,可达每分钟15万次之高速运转。
HSK A63气动增速刀柄和电动增速刀柄怎么选?

中西NAKANISHI高速主轴彩博888HSK A63增速刀柄,可以选择以上三款型号,区别就是转速不同,有50000转、800000转和16万转是那种,气动的16万转高速刀柄缺点是转速不可调,大部分人会选择电动的增速刀柄,性能稳定,搭配NAKANISHI高速电主轴E3000控制器配套使用,加工精度高,产品表面光滑,光洁度良好。
订购:中西HSK A63增速刀柄








1960544536