春亨产品中心
- 按产品特性分类
- 水平仪 偏心仪 角度计 直角尺 同心度仪 高速主轴 内外侧卡规 打磨机 钻石膏 各种量表 磨刀石 研磨砂轮油石 切削刀具 研磨刷 研磨工具 磁性工具 放大镜 内视镜 卡尺 千分尺 圆周尺 扭力工具 针规 间隙规 速度测试 高度尺/计 测量工具 硬度计 段差尺 焊道规 V型座 磁性吸盘 力度测量 吊重磁铁 工业胶粘剂 研磨抛光 钳类工具 旋具工具 温湿度测试 粘度计 电子天平 金属锉刀 复制胶膜
- 按品牌分类
- AAA ASKER B2 BOWERS CITIZEN DMT FUJITOOL FISSO FUJIGEN HONDA GLOI HEINE KANETEC IMADA KANON KAYDIAMOND KROEPLIN MEYER MARUI MITUTOYO NAKANISHI PEACOCK PEAK PHOENIX PI-TAPE RSK RHEINTACHO SK SPI SUN SUPERTECH SWAN UNIVERSAL NOVAPAX XEBEC WIXEY Teclock tohnichi 富士KOSOKU RUBICON KEIBA TAJIMA NIKON Stanley SPI Engeering MARKAL PTC TMC THERMAX RION SHINKO STAO佐藤 TSUBOSAN OSKAR SCHWENK MARK-10 Microset starrett
相关资讯
- 2020年我国数控机床行业发展的主要瓶颈
- TM-801高斯计的使用方法
- KANON(中村)扭力扳手N-QLK型特点及使用方法
- THERMAX表面温度指示贴用途
- 深孔加工,就选日本NAKANISHI中心出水主轴BMS-4020-MQL
- 日本中村KANON微小扭矩测力计
- 扭力工具中村KANON——您的专属定制!
- KROEPLIN卡规—让测量变的简单
- 日本NAKANISHI新款电动打磨机sheenus ZERO全新上市
- 不负众望,用心提供客户认可的孔雀百分表
- 为什么新买的水平仪客户反映不准?
- ASKER橡胶硬度计正确使用方法及保养常识
- 大型压铸件360°无死角去毛刺案例展示(视频)
- 当NAKANISHI高速主轴遇到日本XEBEC研磨刷
- 打磨机的应用
- 【NAKANISHI高速主轴】报警提示及解除方法
- NAKANISHI高速主轴如何实现外部通讯?
- 进口磁性水平尺有创意,服务更有诚意
- 机床师傅找平都用RSK磁性水平仪,工作效率可提升4倍
- 精确锁紧螺丝,KANON扭力起子帮您忙
咨询热线:
0755-29695109
电话:彩博8880755-29695109
手机:18923426022
传真:0755-23033513
Q Q:
地址:深圳市宝安49区华创达文化科技产业园D栋313
产品详情
联系我们
什么是ESD主轴?
ESD代表静电放电。
彩博888当刀具切割PCB时,会产生静电,会损坏PCB的电子元件。
为了避免静电放电导致电子元件损坏,需要防止刀具充电。
Nakanishi新款主轴NR33-6000ATC-ESD彩博888,通过与轴芯连接的碳刷把静电从刀具转移到外壳,从而消除静电。
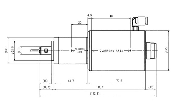
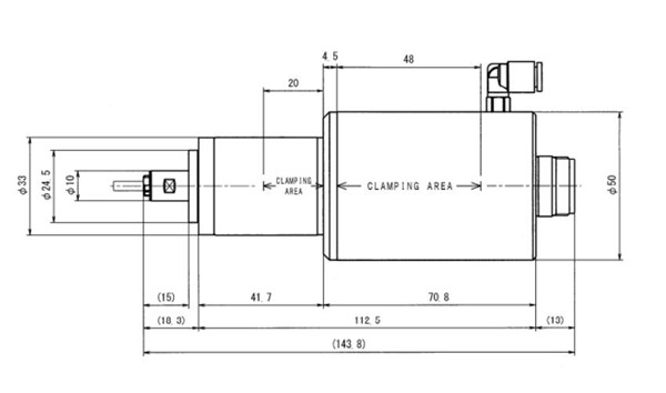
NR33-6000ATC-ESD外形图

产品参数
| 型号 | NR33-6000ATC-ESD |
| 转速 | 60,000r/min |
| 主轴精度 | within 1 μm |
| 旋转跳动公差 | within 5 μm |
| 接触电阻ESD | ≦ 0.3 k? |
| 开关夹头气压 | 0.55 - 0.6 MPa |
| 标配夹头 | CHB-3.175 |
| 夹头拉拔力 | ≧ 500 N |
| 夹头压紧力 | ≧ 1,000 N |
| 夹头夹持力 | ≧ 100 cNm |
| 重量 | 1,170 g |
NR33-6000ATC-ESD+EM-3060J外形图
NR33-6000ATC-ESD新款主轴的优点

彩博888 通过与轴芯连接的碳刷把静电从刀具转移到外壳,从而消除静电。

产生的碳粉会通过冷却空气释放,因此并不会影响轴承。
NR33-6000ATC-ESD 防静电主轴
彩博888 订购:主轴NR33-6000ATC-ESD








1960544536 


