春亨产品中心
- 按产品特性分类
- 水平仪 偏心仪 角度计 直角尺 同心度仪 高速主轴 内外侧卡规 打磨机 钻石膏 各种量表 磨刀石 研磨砂轮油石 切削刀具 研磨刷 研磨工具 磁性工具 放大镜 内视镜 卡尺 千分尺 圆周尺 扭力工具 针规 间隙规 速度测试 高度尺/计 测量工具 硬度计 段差尺 焊道规 V型座 磁性吸盘 力度测量 吊重磁铁 工业胶粘剂 研磨抛光 钳类工具 旋具工具 温湿度测试 粘度计 电子天平 金属锉刀 复制胶膜
- 按品牌分类
- AAA ASKER B2 BOWERS CITIZEN DMT FUJITOOL FISSO FUJIGEN HONDA GLOI HEINE KANETEC IMADA KANON KAYDIAMOND KROEPLIN MEYER MARUI MITUTOYO NAKANISHI PEACOCK PEAK PHOENIX PI-TAPE RSK RHEINTACHO SK SPI SUN SUPERTECH SWAN UNIVERSAL NOVAPAX XEBEC WIXEY Teclock tohnichi 富士KOSOKU RUBICON KEIBA TAJIMA NIKON Stanley SPI Engeering MARKAL PTC TMC THERMAX RION SHINKO STAO佐藤 TSUBOSAN OSKAR SCHWENK MARK-10 Microset starrett
相关资讯
- 每个月卖出50台的L型磁性水平仪究竟好在哪?
- ASKER橡胶硬度计上哪买比较好?
- 勿让轮廓倒角阻碍效率提升-FUJIGEN倒角刀
- 割效果最好的激光刀模切割主轴—NSK高速主轴
- 中村扭力起子输出扭矩值运用自如
- RSK水平仪质量有保障用户放心选
- 德国kroeplin针盘式卡规使用方法及注意事项
- 日本RSK偏摆仪使用方法及注意事项
- 日本强力手持式磁力搬运辅助工具
- NAKANISHI中西控制器E2280
- 医疗产品加工,怎么能少的了NSK高频铣
- NAKANISHI高速主轴助力数控机床行业快速发展
- 同心度测量选对仪器是关键-UNIVERSAL同心度仪
- 去除风力发电机主轴承铁鳞的自动化应用
- 自动换刀主轴在自动化设备中的应用
- 日本kanetec异型工件电磁吸盘,多种功能可供选择!
- 你还在为调试设备用的水平尺而发愁么?
- 量表名企PEACOCK孔雀百分表
- PCB分板机加工必备高速主轴—NR50-5100 ATC
- 精密厚薄表的分类
咨询热线:
彩博888 0755-29695109
电话:0755-29695109
手机:彩博88818923426022
传真:0755-23033513
Q Q:
地址:彩博888深圳市宝安49区华创达文化科技产业园D栋313
产品详情
联系我们
日本自动化去毛刺浮动头AF-30/AF-40
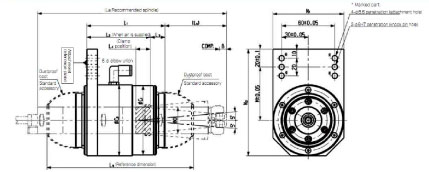
日本FT自动化去毛刺浮动头AF-30、AF-40搭配日本NAKANISHI高速主轴,加工精度高,可在工作中360度偏摆,使用寿命长,能用于铸铁,发动机缸盖,齿轮箱,涡轮室等不同材料和工件进行精确加工。

彩博8881、采用电动主轴作为驱动源:采用电动主轴作为驱动源的最大好处是功率输出稳定,毛刺去除效果均匀一致;
2、最适合于去毛刺自动化的气压式调节浮动压力式去毛刺主轴:使用气压调节式浮动压力去毛刺主轴,可以实现用同一种去毛刺主轴,去除工件上所存在的模具结合线、厚壁部分及浇口等不同部位的毛刺;
彩博8883、可吸收X轴Y轴方向的误差:气压调节式浮动压力去毛刺主轴的浮动压力都可对加工弓箭的形状进行仿形,像Z轴方向增进8mm;
4、可以根据工件材质及不同部位的毛刺大小自由调整气压:由于可以使用电子或手动调节阀等从外部精密调整浮动气压部的气压,能够做到边切换浮动压力(刀具的压力)边去除工件上存在的各种毛刺;
5、提供两种主轴连接部尺寸选择:气压调节式浮动压力去毛刺主轴,备有连接30主轴的AF30型,及连接440主轴的AF40型两种。


AF30数据
彩博8881、主轴最大允许转速:40000RPM
彩博8882、最大输出功率:350W
3、控制器调整转速范围:1000RPM-60000RPM
彩博8884、电源供给:三相AC200V-240V
AF40数据
彩博8881、主轴最大允许转速:20000RPM
彩博8882、最大输出功率:900W以上
彩博8883、控制器调整转速范围:1000RPM-20000RPM
4、电源供给:三相AC200V-240V
供气过滤阀

彩博888浮动压力用空气和主轴冷却降温用空气,均必须使用净化后的空气。
彩博888当供气中含水量较大时,请使用市面上出售的空气干燥机。
精密调压阀

使用精密调压阀可以精确控制浮动用空气的气压。
在安装精密调压阀时,应选择在尽可能靠近去毛刺主轴的地方进行安装。
彩博888如希望调整机器人或专机系统等外部卸装置的气压,请使用市面上出售的电子或手动气压调节阀。

日本NAKANISHI高速主轴为工业机器人(金属及复合材料加工),PCB分板(铝基板、铜基板切割),数控机床改造(提升加工效率),义齿加工(氧化锆、钛合金,CAD/CAM),广告行业(非金属材料、柔性材料加工),陶瓷插芯(内外圆研磨),微孔加工,浮动去毛刺,切削铣削等精密加工提供高速主轴应用解决方案!
订购:自动化去毛刺浮动头AF-30/AF-40








1960544536