春亨产品中心
- 按产品特性分类
- 水平仪 偏心仪 角度计 直角尺 同心度仪 高速主轴 内外卡规 打磨机 钻石膏 各种量表 磨刀石 研磨砂轮油石 切削刀具 研磨刷 研磨工具 磁性工具 放大镜 内视镜 卡尺 千分尺 圆周尺 扭力工具 针规 间隙规 速度测试 高度尺/计 测量工具 硬度计 段差尺 焊道规 V型座 磁性吸盘 力度测量 吊重磁盘 工业胶粘剂 研磨抛光 钳类工具 旋具工具 热敏试纸 粘度计 电子天平 金属锉刀 复制胶膜 深度规
- 按应用领域分类
- 工程机械 数控机床 汽车制造 电子/光电 塑胶皮革制品 船舶制造 实验室/研究院 纺织业 精加工 雕刻 珠宝首饰 陶瓷工业 抛光去毛刺 PCB分板机加工 铣削加工 钻孔加工 医疗加工 数控车床主轴
- 按品牌分类
- AAA ASKER B2 BOWERS CITIZEN DMT FUJITOOL FISSO FUJIGEN HONDA GLOI HEINE KANETEC IMADA KANON KAYDIAMOND KROEPLIN MEYER MARUI MITUTOYO NAKANISHI PEACOCK PEAK PHOENIX PI-TAPE RSK RHEINTACHO SK SPI SUN SUPERTECH SWAN UNIVERSAL NOVAPAX XEBEC WIXEY Teclock tohnichi 富士KOSOKU RUBICON KEIBA TAJIMA NIKON Stanley SPI Engeering MARKAL PTC TMC THERMAX RION SHINKO STAO佐藤 TSUBOSAN OSKAR SCHWENK MARK-10 Microset starrett EENPAIX OJIYAS DIGITECH ROECKLE tites swiss
相关资讯
- 【RSK水平仪】春亨工具秘密武器让销量增倍
- 日本NAKANISHI自动换刀主轴,分板机行业通销品
- 日本ASKER橡胶硬度计使用方法
- 德国古沃匹林KROEPLIN卡规
- 日本kanon(中村)电子孔距卡尺产品分类大全
- 用过就不想换的RSK水平仪
- 美国universal同心度测量仪用途及使用方法
- 得乐TECLOCK量表全线出击, 超级特卖会
- 美国DMT磨刀石中国区总代理,助力2022冬季奥运会成功举办
- 木雕神韵须看打磨工艺-NSK打磨机
- RSK水平尺全力备战双十一
- 日本RSK新泻理研水平仪大量到货
- 孔雀百分表款式全作用多
- 广告材料切割雕刻机专用主轴--NAKANISHI高速主轴
- UNIVERSAL环球进口同心度仪
- 广告行业高效智能切割主轴
- 工业的眼睛-SPI ENGINEERING内视镜
- 春亨工具教您NAKANISHI高速主轴如何使用?
- 又是一年端午时,春亨工具祝各位端午安康!
- 日本NAKANISHI高速主轴在运转过程中工具内部剧烈震动的原因
咨询热线:
彩博888 0755-29695109
电话:彩博8880755-29695109
手机:18124698426
传真:彩博8880755-23033513
Q Q:
地址:深圳市宝安49区华创达文化科技产业园D栋313
产品详情
联系我们
NSK自动化去毛刺主轴NR-3060AQC+FT去毛刺浮动头AF30
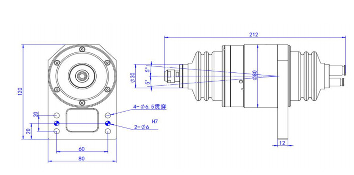
NSK自动化去毛刺主轴NR3060-AQC搭配日本FT去毛刺浮动头AF30,可以实现360度的径向浮动以及轴向浮动,可根据毛刺的大小来调整不同的气压,产生不同的浮动力。浮动去毛刺主轴可对曲面以及高低不平作自动补偿,从而解决加工工具难以到达的边角毛刺去除。

NSK自动化去毛刺主轴NR3060-AQC转速高达60000转/min,适用于7-10kg机器人,主要用于铸铁、钢件、压铸铝、以及树脂材质的去毛刺作业,可加装在机器人的末端,体积比较小,重量轻,可节约机器人的成本,自动化去毛刺主轴NR3060-AQC通过充气和闭气自动换刀,全程加工无需人工操作,实现自动化去毛刺。
自动化去毛刺主轴配置包含有:

彩博888 NAKANISH前端主轴头NR3060-AQC 1PC
彩博888 NAKANISHI大力矩马达EM-3030T 1PC
日本FT去毛刺浮动头AF30 1PC
NAKANSHI电源线 EMCD-3000J-6M 1PC
NAKANSHI电源控制器E3000 1PC
具体产品实拍图如下:
彩博888 NAKANISH前端主轴头NR3060-AQC

彩博888 NAKANISHI大力矩马达EM-3030T

日本FT去毛刺浮动头AF30 1PC

彩博888 NAKANSHI电源线 EMCD-3000J-6M 1PC

NAKANSHI电源控制器E3000 1PC

自动化去毛刺主轴配套产品尺寸

自动换刀去毛刺主轴NR3060-AQC

日本NSK主轴马达EM-3030T尺寸

订购:自动化去毛刺主轴








1960544536 


